
技术指标
输入信号:热电阻(2种)和热电偶(10种)可设置
传输精度:

说明:①以上精度是在环境温度20℃±2℃的条件下测试所得
②输出精度“%”是相对于设定的量程范围
③热电偶测量时还需要加上冷端补偿误差
冷端补偿温度范围:-20~70℃
补偿精度:±1℃
输出信号:二线制4-20mA或二线制4-20mA+HART协议
输出负载电阻:RL≤(Ue-12)/0.022
上限、下限溢出报警输出电流:可设置
供电电压:DC12~40V
温度漂移:0.0075%FS/℃
响应时间:700ms达到最终值的90%
绝缘强度(输入与输出之间):1500V(1min,无火花)
绝缘电阻(输入与输出之间):≥100MΩ(500VDC时)
防护等级:IP65
电磁兼容:符合GB/T18268工业设备应用要求(IEC61326-1)
质保:24个月

YR-ER233A一体式现场显示隔离温度变送器外形图


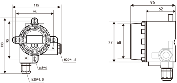
YR-ER233B壁挂式现场显示隔离温度变送器外形图


YR-ER233现场显示隔离温度变送器接线图
①4-20mA输出+RS485通讯接线图

②4-20mA输出或者4-20mA输出+HART通讯接线图

YR-ER233现场显示隔离温度变送器选型表
YR-ER233①-②③④⑤-⑥/⑦
①外壳结构
[A]:一体式
[B]:壁挂式
②输入信号类型
[P]:Pt100热电阻
[C]:Cu50热电阻
[B]:B分度号热电偶
[S]:S分度号热电偶
[K]:K分度号热电偶
[E]:E分度号热电偶
[T]:T分度号热电偶
[J]:J分度号热电偶
[N]:N分度号热电偶
③输出类型
[0]:二线制4-20mA输出
[1]:二线制4-20mA输出+HART通讯
[2]:4-20mA输出+RS485通讯
④传感器输入端连接螺纹
[G00]:壳体M27×2内螺纹
[G01]:壳体M20×1.5内螺纹+M20×1.5外螺纹尼龙格兰头(标配)
[G02]:壳体M20×1.5内螺纹+M20×1.5外螺纹金属格兰头
[X]:定制螺纹
⑤电气连接螺纹
[G00]:壳体M20×1.5内螺纹
[G01]:壳体M20×1.5内螺纹+M20×1.5尼龙格兰头(标配)
[G02]:壳体M20×1.5内螺纹+M20×1.5金属格兰头
[R00]:壳体G1/2内螺纹
[R01]:壳体G1/2内螺纹+G1/2外螺纹尼龙格兰头
[R02]:壳体G1/2内螺纹+G1/2外螺纹金属格兰头
[A00]:壳体1/2NPT内螺纹
[A01]:壳体1/2NPT内螺纹+1/2NPT外螺纹尼龙格兰头
[A02]:壳体1/2NPT内螺纹+1/2NPT外螺纹金属格兰头
⑥温度变送器量程下限
[*]:数字
⑦温度变送器量程下限
[*]:数字
壁挂式带显示隔离温度变送器选型举例:
YR-ER233B-P0G01G01-0/300

