差压式流量计按结构形式分类:标准孔板、标准喷嘴、经典文丘里管、文丘里喷嘴、1/4圆孔板、锥形入口孔板、圆缺孔板、偏心孔板、楔形孔板、道尔管、罗洛斯管、线性孔板、小口径孔板(内藏孔板)、弯管、环形管、可换孔板节流装置、平衡流量计、插入式流量计。
昌晖仪表在本文分别介绍各差压式流量计的结构。
1、差压式流量计按产生差压的作用原理分类
①节流式。依据流体通过节流件使部分压力能转变为动能以产生差压的原理工作,如孔板、文丘里管等。
②动压头式。依据动压转变成静压的原理而工作,如均速管流量计等。
③水力阻力式。依据流体阻力产生差压的原理工作,如层流流量计等。
④离心式。依据弯曲管或环形管产生离心力原理形成的差压而工作,如弯管、环形管流量计等。
⑤动压增益式。依据动压放大原理工作,如皮托管等。
⑥射流式。依据流体射流撞击产生差压的原理工作,如射流式差压流量计等。
2、差压式流量计按结构形式分类
①标准孔板
标准孔板又称同心直角孔板,其轴向截面如图所示。孔板是一块加工成圆形同心的具有锐利直角边缘开孔的薄板,标准孔板有三种取压方式:法兰、角接和径距取压。

②标准喷嘴
标准喷嘴有两种:ISA1932喷嘴和长径喷嘴,其结构如下图所示。1SA1932喷嘴由两段圆弧形收缩段和圆筒形段组成,它仅有角接取压一种取压方式。长径喷嘴有两种形式:低比值喷嘴(0.20<B<0.50)和高比值喷嘴(0.25<B<0.80),当0.25<B<0.5时,可采用任意一种结构的喷嘴。长径喷嘴由椭圆廓形收缩段与圆筒形段组成,其取压方式为径距取压。


③经典文丘里管
经典文丘里管由入口圆筒段、圆锥收缩段、圆筒形喉部和圆锥扩散段组成,结构如下图所示。经典文丘里管有三种结构形式:粗铸收缩段的文丘里管、机械加工收缩段的文丘里管、粗焊铁板收缩段的文丘里管。其取压方式为上游取压口距收缩段前0.5D处,下游取压口在圆筒形喉部的中心(距收缩段前0.5d)。

④文丘里喷嘴
文丘里喷嘴由喷嘴(ISA1932喷嘴)、喉部和扩散段组成,如下图所示。扩散段类似文丘里管的扩散段。文丘里喷嘴上游取压口与ISA1932喷嘴相同,下游取压口在喉部中央。

⑤1/4圆孔板
1/4圆孔板的形状由与标准孔板的差别只在孔口形状的不同,由半径为r的1/4圆构成的入口截面以及喷嘴出口等组成,结构如下图所示。其取压方式有角接取压法和法兰取压法两种,当D<40mm时,只能采用角接取压法。

⑥锥形入口孔板
锥形入口孔板与标准孔板的形状类似,相当于一块倒装的标准孔板,其结构如下图所示,采用角接取压法。

⑦圆缺孔板
圆缺孔板开孔为一个圆的一部分(圆缺部分),这个圆的直径是管道直径的98%,开孔的圆弧部分的圆心应精确定位,使其与管道同心。这样可保证开孔不会被管道或两端的垫片所遮盖。其结构如下图所示。采用法兰取压。

⑧偏心孔板
偏心孔板的孔是偏的,它与管道同心的圆相切。安装这种孔板必须保证其孔不会被法兰或垫片遮盖住。其结构如图下所示。采用角接取压、法兰取压。

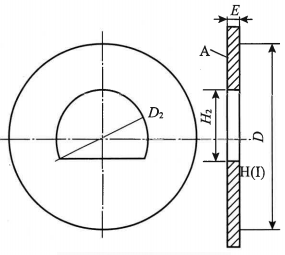
⑨楔形流量计
楔形流量计结构如下图所示。其检测件为V形。设计合适时,节流件上下游处无滞流区,不会使管道堵塞。V形检测件顶端为圆弧形,有较好的耐磨性。

⑩道尔管
道尔管的结构如下图所示。它由40°入口锥角和15°扩散管组成,流体先碰撞到a上,再流经短而陡的锥体,到达喉部槽两边的两个圆筒部分,流体再经锐边d和e,通过一段短的锥体后,在f处突然扩大到管道中,整个长度仅为管径的1.5~2倍,是文丘里管长度的17%,而且其廓形与文丘里管和喷嘴一样具有光滑的曲线部分。道尔管产生的差压比经典文丘里管大,但在高差压下压损却较低。

⑪罗洛斯管
罗洛斯管结构如下图所示。它由入口段、入口锥管、喉部锥管、喉部和扩散管组成。入口锥管的锥角为40°,喉部锥角为7°,扩散管锥角为
5°,上游取压口采用角接取压,其取压口紧靠入口锥角处,下游取压口在喉部长度的一半,即d/4处。

⑫线性孔板
线性孔板又称变压头变面积孔板,其结构如下图.所示。线性孔板是一种孔隙面积随流量大小自动变化的节流件。曲面圆锥形塞子在流体形成差压和弹簧的作用下来回移动。造成孔板孔隙变动,使输出差压与流量成呈线性关系,大幅提高范围度。

⑬小管径孔板(内藏孔板)
口径小于50mm的孔板,有多种结构形式,内藏孔板形式如图4-2-14所示。当管径较小时,孔板入口边缘尖锐度及管道粗糙度等对流出系数有较显著的影响,因此按结构、几何形状及尺寸难以确定流出系数,这就是φ50mm以下孔板难以标准化的原因。小管径孔板一般都需个别校准才能准确确定流出系数。

⑭弯管、环形管
弯管结构如下图所示。利用管道系统弯头作检测件,无附加压损,不需要专门安装节流件,弯头取压口开在45°或22.5°处,取压口结构与标准孔板相同,2个平面内的2个取压口对准,使其能处于同一条直线上,弯头内壁应尽量保持光滑。

⑮可换孔板节流装置
可换孔板节流装置如下图所示,该装置设有上、下两个腔体,可在不切断流体的情况下轻便地操作机械摇臂,将孔板升到上腔体内加以密封,实现在线检修或更换孔板。

⑯平衡流量计
平衡流量计具有对称多孔结构特点,能对流场进行均衡,降低了涡流、振动和信号噪声,提高了流场稳定性和线性度,多孔对称的均衡设计,减少了紊流剪切力和涡流的形成,大幅降低了滞留死区的形成,保证脏污介质顺利通过多个孔,减小了流体孔被堵塞的机会。左右完全对称,可以十分方便地测量双向流。平衡流量计有三种取压方式:角接、法兰及D-D/2取压。法兰取压应用较为广泛,如下图所示。

⑰插入式流量计
差压式均速管流量计采用动压头式工作原理,插入式结构形式,其结构如图4-2-18所示。通常流量计与管道为法兰连接,只有在管道内流体断流时才允许拆卸仪表。采用插入式结构弥补了这个缺陷,因而深受用户的欢迎。差压式均速管流量计由于其结构特点,使得它在大口径流量测量中有突出的优点,如价格低廉,质量轻,易于安装维修等。大量应用于自来水、空气、煤气,蒸汽等介质的能源计量和过程控制。
常用的插入式流量计有防堵型毕托巴流量计、赛德巴风量测量流量计、均速管流量计-TORBAR、德尔塔巴(Deltaflow)。

3、差压式流量计按用途分类
①标准节流装置。标准节流装置在设计、制造、安装及使用方面皆遵循国家标准的规定。
②低雷诺数节流装置。如1/4圆孔板、锥形入口孔板及双重孔板等。
③脏污流用节流装置。如圆缺孔板、偏心孔板及楔形流量计等。
④低压损节流装置。如道尔管、罗洛斯管、通用文丘里管、弯管及环形管等。
⑤小管径节流装置。如内藏孔板和一体化流量变送器等。
⑥宽范围度节流装置。如线性孔板等。
⑦临界流节流装置。如临界流文丘里喷嘴等。
⑧端头节流装置。如端头孔板、端头喷嘴等。

