中间继电器在仪表控制和电气控制中都经常用到,中间继电器接线图一般印刷在继电器外壳上,偶尔因种种原因找不到中间继电器接线图,实在不方便。下面昌晖仪表分享欧姆龙中间继电器接线图供同行使用,大家可参考看看。
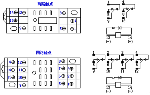
欧姆龙小型中间继电器有8脚、14脚等种类,8脚中间继电器触点为两常开两常闭,14脚中间继电器触点为4常开4常闭,中间继电器外形尺寸如下图:

欧姆龙中间继电器接线图如下所示,中间继电器接线时需要注意中继的线圈电压,错接将导致中间继电器线圈烧毁。

相关阅读
继电器选型案例分享
教你区分中间继电器和接触器
深度解析四种继电器附加电路的功能及应用

