昌晖交流三相电压表同时测量显示与控制高低压配电系统0-500V范围的电压。交流三相电压表采用大规模集成电路和高亮度长寿命的LED显示器,应用数字采样技术、工业级元器件,所有与外界的连接都做了电气隔离,内置抗雷击保护电路和电源滤波器。可靠的端子输入,具备高耐压和过流等级的特点。专业的EMC设计,对装置输入电源、模拟和数字电源进行实时的监测,保证了其运行的可靠性。科学的自诊断功能,可通过显示代码表明产品的故障。产品广泛应用于分布式电力监控系统、变电站综合自动化系统、无人值守变电站、低压智能配电系统、智能型开关柜/配电盘、智能型箱变及楼宇自动化系统的数据采集。
交流三相符电压表主要技术参数
电压测量范围:0.0-500.0V,500V以上由电压互感器转换为0-100V电压输入
输入阻抗:2MΩ
测量误差:±0.2%FS
分辨力:0.1V
过载:持续120%;瞬时2倍/30s
模拟量输出:4-20mA、0-20mA、0-10mA、1-5V、0-5V
通讯输出:RS485,MODBU RTU
报警输出:继电器控制输出(触点容量:AC220V/2A,DC24V/2A)
使用环境:环境温度0-50℃;相对湿度≤85%RH;避免腐蚀性气体
工作电源AC/DC100-240V,50/60Hz;DC20-29V(开关电源)
功耗:≤6W
结构:标准卡入式
四种外形尺寸:160×80×142mm、96×96×85mm、80×80×115mm、120×120×115mm
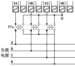
交流三相电压表接线图



仪表输入方式接线说明
1、三相三线系统,采用无PT方式的接线图
2、三相四线制系统,采用无PT方式的接线图
3、三相三线系统,采用2PT方式的接线图
4、三相四线制系统,采用3PT方式的接线图
注意事项
a、建议用户在外接PT时,在三相电压表和PT之间采用接线端子排连接,以方便仪表的拆卸。
b、用户需根据所采用的PT不同选择额定电流合适的保险丝。
c、为保证测量数据的准确度,必须正确接入电压测试信号。当被测试电压小于交流三相电压表电压量程,可以直接接入;否则,必须经电压互感器PT接入。
d、接入互感器的精度能够影响交流三相电压表测试数据的准确度。互感器次级输出应连接较粗、较短的低阻抗导线,减少干扰影响。互感器可能产生信号角差的偏移,对测试数据的准确度有影响。
交流三相电压表选型表
YR-GF①-②③④⑤-⑥⑦-⑧-⑨
①功能代码
[U]:多功能电压测量仪表
②外形尺寸
[2]:外形尺寸:120×120×115mm(高×宽×深)/开孔尺寸:105×105mm(高×宽)
[3]:外形尺寸:80×80×115mm(高×宽×深)/开孔尺寸:76×76mm(高×宽)
[9]:外形尺寸:96×96×85mm(高×宽×深)/开孔尺寸:92×92mm(高×宽)
[B]:外形尺寸:160×80×142mm(高×宽×深)/开孔尺寸:152×76mm(高×宽)
③产品设计序号
[K]:功能增强型(可以增加附加功能)
④:参数显示个数
[3]:3个参数显示
[3Y]:液晶屏3个参数显示
⑤扩展功能(仪表通讯和变送输出可同时存在)
[N]:无扩展功能
[C]:RS485通讯
[1M]:120×120mm外形为3路4-20mA变送输出(RL≤500Ω);其他外形为1路4-20mA变送输出
[2M]:120×120mm外形为3路0-10mA变送输出(RL≤1000Ω);其他外形为1路0-10mA变送输出
[3M]:120×120mm外形为3路0-20mA变送输出(RL≤500Ω);其他外形为1路0-20mA变送输出
[1V]:120×120mm外形为3路1-5V变送输出(RL≥250kΩ);其他外形为1路1-5V变送输出
[2V]:120×120mm外形为3路0-5V变送输出(RL≥250kΩ);其他外形为1路0-5V变送输出
[1X]:120×120mm外形为3路其他(用户指定输出);其他外形为1路其他(用户指定输出)
⑥电压输入信号类型
[1]:0-100V电压输入
[2]:0-500V电压输入
⑦电流输入信号类型
[N]:无电流输入
⑧报警
[N]:无报警
[2]:2限报警
⑨仪表供电电源
[W]:DC20-29V
[T]:DC/AC100-240V
选型举例






