工厂自动控制系统的要求和控制逻辑设计工程师通常以专门仪表图例和仪表功能符号标注在工艺管道仪表流程图(P&ID图)中,仪表工熟练掌握仪表图例和仪表功能符号,对开展工作大有帮助。
1、BASIC IDENTIFICATION LETTERS基础字符说明


2、ADDITIONAL LETTERS附加字母
XL:RUNNING LAMP 运转灯,运转信号
XV,HV:INTERLOCKED ON OFF VALVE连锁两位阀
KV:TIMER CONTROLLED VALVE计时器控制阀门
KC:TIMER计时器
UA:COMMON ALARM公共报警
ESD:EMERGENCY SHUTDOWN紧急停车

上图中关于报警输出的说明:
HH:EXTRA HIGH LIMIT(HIGHER THAN HIGH LIMIT)超高极限
H:HIGH LIMIT高极限
L:LOW LIMIT低极限
LL:EXTRA LOW LIMIT(LOWER THAN LOW LIMIT)超低极限
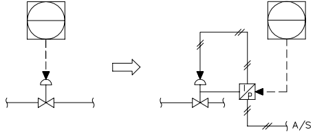
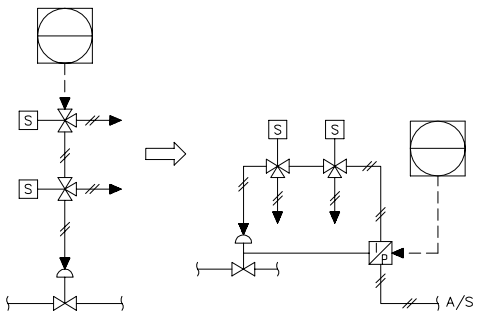
3、I/P CONVERTER TO BE PROVIDED AS SHOWN BELOW.电气转换器如下




4、INSRUMENT SYMBOLS仪表图例符号

LOCALLY MOUNTED INSTRUMENT就地安装

MOUNTED ON MAIN PANEL安装在主控盘

MOUNTED ON LOCAL PANEL安装在就地盘

DCS DISPLAY DCS显示

PLC IN CCR控制室PLC

PLC IN FIELD现场PLC

INTERLOCK LOGIC联锁逻辑
![]()
VENTURI TUBE OR LAVAL NOZZLE文丘里管或拉瓦管

VARIABLE AREA TYPE FLOW METER转子流量计

VARIABLE AREA TYPE FLOW METER WITH VALVE转子流量计(带阀)

STEAM/HOT TRACE OF INSTRUMENT伴热仪表
5、CONTROL VALVE ACTUATOR SYMBOLS控制阀执行机构符号
![]()
PNEUMATIC TYPE ACTUATOR(DIAPHRAGM TYPE)气动式(膜片型)

PNEUMATIC TYPE ACTUATOR(CYLINDER TYPE)气动式(气缸型)
![]()
SOLENOID TYPE ACTUATOR电磁阀型
![]()
ELECTRICAL TYPE ACTUATOR电动型
![]()
(CONTROL VALVE)WITH HAND WHEEL带手轮控制阀
![]()
CLOSE ON AIR FAILURE气源故障关
![]()
OPEN ON AIR FAILURE气源故障开
![]()
LAST ON AIR FAILURE气源故障(原位)

FAIL POSITION故障位置
6、INSRUMENT LINE SYMBOLS仪表信号线表示法
![]()
CONNECTION TO PROCESS连接到工艺

UNDEFINED SIGNAL未定义信号线
![]()
PNEUMATIC SIGNAL气信号
![]()
ELECTRIC SIGNAL电信号
![]()
CAPILLARY TUBING(FILLED SYSTEM)导压毛细管
![]()
SOFTWARE OR DATA LINK内部软件信号线或数据链
![]()
NUCLEAR SIGNAL电磁辐射声波等信号线
关于仪表图例的使用建议仪表工参照标准HG/T 20505-2014《过程测量与控制仪表的功能标志及图形符号》
相关阅读
◆ 仪表工怎样读懂P&ID
◆ 仪表工如何看懂呼号法仪表电气接线图
◆ 美国SAMA图与SAMA图例在自控设计中的应用

