实际项目中会存在基于时间的操作需求。比如当某个信号触发后,延时一定时间,然后执行某种动作(比如接通继电器)。如果这种需求的安全等级要求不高,可以使用普通时间继电器或普通PLC的定时器来完成。但是,如果这种需求的安全等级要求较高,万一失效会导致比较严重的后果,那么普通时间继电器或者普通PLC定时器就不能满足要求。这时可以考虑两种方案:
①使用安全PLC;
②使用安全时间继电器;
安全PLC功能强大,但成本较高。毕竟基于时间的安全控制只是它众多安全功能的很小部分。如果你的系统恰好是基于安全PLC的系统,那就直接使用其安全定时器指令就可以了。
如果你并没有使用安全PLC系统,又希望该基于时间操作的需求能满足一定的安全等级,可以考虑使用Pilz(皮尔磁)的安全时间继电器。Pilz的安全时间继电器有PNOS s5和PNOS s9等产品,下面昌晖仪表给大家介绍PNOZ s9安全时间继电器。
PNOZ s9是一个具有三路安全常开触点和一路辅助常闭触点的安全时间继电器,图1是PNOZ s9实物图:

图1 安全时间继电器PNOZ s9实物图
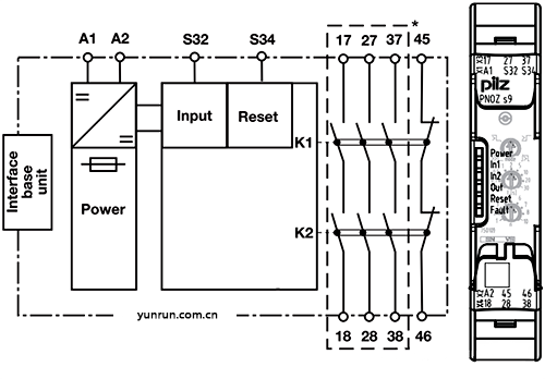
PNOZ s9上、下各有两个接线端子,上面两个端子排编号为X1和X3,下面两个端子编号为X2和X4:X1有三个端子,编号:A1、S32和S34;X3有三个端子,编号:17、27和37;X2有三个端子,编号:A2、45、46;X4有三个端子,编号:18、28、38。
其中:A1和A2为模块的供电端子,A1为正极,A2为负极;S32是安全输入信号端子,名称中的“S”表示“Safe(安全)”;S34是反馈信号输入端子。旧版本的名称写作“Reset”,新版本的PNOZ s9该端子名称写作“Feedback”,功能是相同的,即用作反馈信号输入;17/18、27/28、37/38是三路安全触点(常开型);45/46是一路普通辅助触点(常闭型)。

图2 PNOZ s9内部电气原理图
PNOZ s9正前方有三个旋钮(见图1),最上方的旋钮用来设置其工作模式,下面两个旋钮用来设置其工作时间(定时的时间)。
1、工作模式
PNOZ s9共有四种工作模式:
①延时断开,不可重复触发(Delay-on de-energisation,not retrigerable);
②延时断开,可重复触发(Delay-on de-energisation,retrigerable);
③接通脉冲定时(Pulse on switching on);
④延时接通(Delay-on energisation);
所有工作模式都必须接通电源(A1、A2),并且反馈信号为可选信号。当不需要反馈信号时,将S34端子连接到24V电源正极。
下面来介绍各种模式的工作原理:
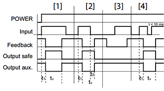
1.1、延时断开,不可重复触发:
符号如图所示:
该工作模式下:如果不考虑反馈信号,则当S32输入端从0变为1时,安全常开触点闭合,辅助常闭触点断开;如果考虑反馈信号,则当S32输入端从0变为1,并且反馈信号从1变为0时,安全常开触点闭合,辅助常闭触点断开;当S32从1变为0时,开始计时。当设置的时间到了之后,安全常开触点断开,辅助常闭触点闭合,恢复成初始状态。在计时的过程中,无论S32的信号是否变化,定时器不会被重复触发,直到之前设置的时间走完,这种称为“不可重复触发”;该工作模式的时序图如图3所示:

图3 模式1的时序图
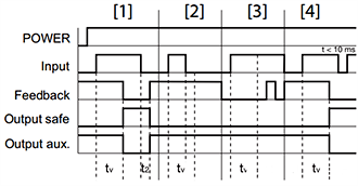
1.2、延时断开,可重复触发:
符号如图所示:
该工作模式与1.1的工作模式很像,不同之处在于:在计时的过程中,如果S32的信号从0变为1,然后又从1变为0,则定时器会再次触发并重新开始计时。该工作模式的时序图如图4所示:

图4 模式2的时序图
1.3、接通脉冲定时:
符号如下图所示:
该工作模式下:当S32的信号从0变为1时开始计时(如果考虑反馈信号还需要反馈信号从1变为0),同时安全常开触点闭合,辅助常闭触点断开;当设置的时间走完后,安全常开触点断开,辅助常闭触点闭合;模式3的时序图如图5所示:

图5 模式3的时序图
1.4、延时接通:
符号如下图所示:
该工作模式下:当S32的信号从0变为1时开始计时,此时触点并不动作。当计时时间到了之后,安全常开触点闭合,辅助常闭触点断开。模式4的时序图如图6所示:

图6 模式4的时序图
2、怎样设置时间?
PNOZ s9模块正前方中间的旋钮用来设置时间基准,有0.1、0.5、1 ... 30s等多种选择。最下方的旋钮用来设置时间的倍数,有1~10个数可以选择。
定时时间=时间基准×倍数
例如:时间基准为5s,时间倍数为3,则定时时间=5x3=15s。
PNOZ s9可以单独使用,也可以配合其它安全继电器使用。当配合PNOZ s系列安全继电器时,可以使用专用的连接片将两者连接;当配合PNOZ x洗了安全继电器时,可以使用硬接线的方式相互连接。
好了,关于安全时间继电器PNOZ s9就先介绍到这里。
相关阅读
PILZ皮尔兹公司安全继电器PNOZ s5使用简介
使用皮尔兹安全继电器PNOZ s5监控安全门开关

