案例
某水池深度3m,水池正常蓄水时需要水池水位保持在1.8-2.5m之间,业主要求水位超过2.8m提供高水位声光报警,水位低于1.5mm时提供低水位声光报警,水池水位控制系统能手动或自动控制水泵来保持水位在一定范围稳定,间接保持出水压力的稳定。
仪表配置
从业主的要求中不难看出:采用位式控制就可以实现用户要求;水池水位测量采用YR3101-0/3-1-4投入式液位变送器,将0-3m水位信号转换为4-20mA信号,输入至显示控制仪,如图1所示;显示控制仪采用YR-GNC804-01-12-HHLL-P-T(仪表带4个报警输出、1路DC24V馈电输出),水位变送器的24VDC电源由显示控制仪提供,水位高于2.8m时显示控制仪报警AL1输出高水位报警信号,水位低于1.5m时显示控制仪报警AL4输出低水位报警信号,水位低于2.2m时显示控制仪报警AL3输出水泵启动控制信号,水位高于2.5m时显示控制仪报警AL3输出水泵停止控制信号。

图1 水位控制系统框图
显示控制仪参数设置表1
参数名称 参数符号 设置范围或代码 一级或二级参数 说明
第一报警值 AL1 2800 一级参数 高水位报警设定值
第二报警值 AL2 出厂预设值 一级参数 没有使用
第三报警值 AL3 1800 一级参数 水泵启动设定值
第四报警值 AL4 1500 一级参数 低水位报警设定值
第一报警值回差 AH1 10 一级参数
第二报警值回差 AH2 出厂预设值 一级参数
第三报警值回差 AH3 700 一级参数 AL3+AH3=水泵停止设定值
第四报警值回差 AH4 10 一级参数
SV显示屏内容 SdIs 3 一级参数 显示AL3值(水泵启动值)
输入分度号 Pn 27 二级参数 输入信号4-20mA
小数点 dP 0 二级参数 显示无小数点
第一报警方式 ALM1 2 二级参数 AL1为上上限报警
第二报警方式 ALM2 2 二级参数 AL2为上限报警
第三报警方式 ALM3 1 二级参数 AL3为下限报警
第四报警方式 ALM4 1 二级参数 AL4为下下限报警
闪烁报警 ALG 0 二级参数
滤波系数 FK 2 二级参数
报警功能 ALM 0 二级参数
断线显示值 brK 1 二级参数 断线时显示最大值
设备号 Addr 出厂预设值 二级参数
通讯波特率 bAUd 出厂预设值 二级参数
显示输入的零点迁移 Pb 0 二级参数
显示输入的量程比例 Pk 1 二级参数
第1变送输出的零点迁移 1oub 0 二级参数
第1变送输出的放大比例 1ouk 1 二级参数
第2变送输出的零点迁移 2oub 0 二级参数
第2变送输出的放大比例 2ouk 1 二级参数
变送输出量程下限 ouL 全量程 二级参数 液位变送器上限量程3000mmmm
变送输出量程下限 ouH 全量程 二级参数 液位变送器下限量程0mm
闪烁报警上限 GH 3000 二级参数 液位变送器上限量程3000mmmm
闪烁报警下限 GL 0 二级参数 液位变送器下限量程0mm
光柱显示上限 ZH 3000 二级参数 液位变送器上限量程3000mmmm
光柱显示下限 ZL 0 二级参数 液位变送器上限量程0mmmm
测量量程上限 PH 3000 二级参数 液位变送器下限量程0mm
测量量程下限 PL 0 二级参数 液位变送器上限量程3000mmmm
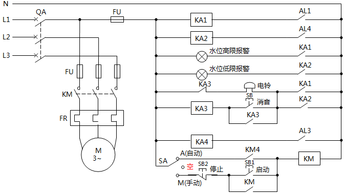
水位控制系统原理

图2 水位控制手动/自动操作及报警电路图
1、当三档开关切SA换至自动(A)时,KA继电器由显示控制仪的AL3输出触点29、30进行控制:水位低于设定值1800mm时,29、30闭合使KA带电,水泵电机启动进水;水位高于2500mm(AL3报警值1800+AH3回差值700)时,29、30打开使KA失电,水泵电机停止运行;当水位低于1500mm时,显示控制仪AL4触点31,32输出水位下限报警信号,使KA2继电器动作,KA2闭合,水位下限报警灯亮,同时电铃响,提醒操作人员注意;当水位低于2800mm时,显示控制仪AL1触点1,2输出水位上限报警信号,使KA1继电器动作,KA1闭合,水位上限报警灯亮,同时电铃响,提醒操作人员注意;按下消音按钮SB,KA3继电器吸合,KA3常闭触点断开,电铃声停止。同时KA3常开触点闭合使KA3继电器保持通电,直至低水位报警(或高水位报警)消除,电路恢复原状。
2、当三档开关SA切换至手动(M)时,水泵自动控制退出,但水位高低报警依然有效。按启动按钮SB1时水泵启动进水,按停止按钮SB2时水泵停止进水。
3、当三档开关SA切换至强制断开(空)时,水泵自动/手动控制均退出,但水位高低报警依然有效。
这里大家思考一下:从实现手动/自动水泵控制原理来看,使用两档开关SA就可以,为什么笔者选用三档开关呢?水位控制系统投运前先观察水位显示是否正常。手动操作确定水泵能正常工作,设置好显示控制仪参数就可以切到自动控制。
相关阅读
深入了解显示控制仪性能及应用,选好用好显示控制仪

