差压式流量计由节流装置、差压变送器和三阀组配套而成,为方便仪表工和用户深入了解差压式流量计应用知识,本文以问答形式对差压式流量计专业知识做详细介绍。

1、孔板流量计为什么能获得广泛的应用?
节流装置和差压变送器配套组成的差压式流量计,一般都有完整的供计算流量的数据。因此,差压式流量计不经标定就可使用。其次,差压式流量计变更流量测量范围方便。只要变更差压变送器的测量范围或节流装置的开孔直径,就可使流量测量上限在较大范围内变化。另外,与流体接触的部分没有运动部件,故不存在材料疲劳而引起的零漂,运动部件的干磨擦,卡滞等引起的故障,所以可靠性高。精度方面能满足一般工业应用的要求。在诸多类型的节流装置中,标准孔板成本低,占地小,互换性高,根据需要可做成插入式的。供计算流量的数据最完整。所以与标准孔板配套组成的差压式流量计获得了广泛的应用。
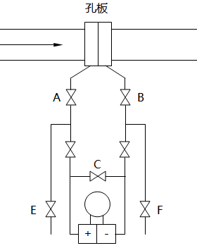
2、图1为一差压式流量测量系統引压管线连接图。如果阀C泄漏(内漏),E阀和F阀泄漏,A阀堵,B阀堵各会引起差压变送器4-20mA输出作何种变化?

C阀漏则差压变送器输出减小;A阀堵则差压变送器示值反应迟钝,输出可能减小;B阀堵则差压变送器示值反应迟钝,输出可能增加;E阀泄则差压变送器示值小;F阀量漏则差压变送器示值增加。
3、四分之一圆喷嘴有何优缺点?
四分之一圆喷嘴的特点是可用于测量雷诺数较低(在300-25000之间)的流体,因此一般用于高粘度流体的流量测量。与标准孔板相比,四分之一圆喷嘴加工更复杂。成本高于孔板,所以在标准孔板能够胜任的场合,一般不采用四分之一圆喷嘴。
4、标准孔板上的疏液孔和疏气孔有何用处?应怎样开此小孔?
标准孔板在水平管线上安装时,对携带液滴的气体,为防止冷凝液在孔板前积聚,可在孔板底部开一个小孔,这个小孔与管道内圆相切。小孔直径一般为2mm,最大不超过孔板锐孔直径的10%。对含有气体或蒸汽的液体,为防止气体在孔板前积聚,可在孔板顶部开一个小孔,小孔直径及与管道的关系同上。管道内径小于100mm时,一般不开疏液孔和疏气孔。
5、如何保持差压式流量计引压管的畅通?
①孔板阀、引压管线内径的选择以及引压管线的安装坡度要符合规程,并且引压管应定期进行排污、扫线。排污扫线周期根据被测介质的特性来确定;
②对于易结晶的介质应选用合适的隔离液予以隔离,对于高粘度和有污垢的介质,可用吹洗液保持对引压管线的吹洗,预防堵塞。
③引压管线中充满水时,在冬季应对管线和仪表进行伴热保温,防止冻结。
6、节流装置用密封垫片应如何制作?
①应根据介质的性质、温度和压力选择合适的材质制作垫片。常用的有石棉橡胶板、聚四氟乙烯、柔性石墨等。
②节流装置垫片的厚度要适合。环室与节流件之间的垫片厚度应不大于1mm;环室与法兰之间和法兰取压的法兰与孔板之间的垫片厚度,一般取3-5mm;
③垫片的外径和内径应合适,要求在夹紧后不突入管道内璧。因此制作时内径应比管道内径大2-3mm。
7、节流装置导压管切断阀(孔板阀)为什么强调要采用闸阀?
①针阀的流路是呈“Z”形弯曲的,流通截面积也较小,当被测介质为液体时,引压管线中的气泡,很容易在弯曲处停留,以至影响差压信号不失真地传递,出现测量系统的零点漂移,而闸阀则无此弊病。
②在被测介质含有污垢时,孔板阀处常易被堵塞,若孔板阀为针形阀,由于流路弯曲,很难在不停车的条件予以以疏通,而如果选用闸阀,则完全可以在不停车的条件下予以疏通。
8、常用节流装置的安装方向如何辨认?
①在带有直管段的节流装置上,可从直管段长度辨认安装方向;介质流入端,直管段长;流出端直管段短;
②环室取压或法兰钻孔取压的节流装置上,一般都带有“+”、“-”标记。“+”为流入端,“-”为流出端;
③若节流装置上标记模糊,则可从节流元件外形辨认:标准孔板有喇叭口的一侧为流出端;另一侧则为流入端。标准喷嘴或四分之一圆喷嘴,有圆弧曲面的一侧为流入端,另一侧为流出端。
9、节流件上的疏液孔或疏气孔有何用途?孔板上的疏液孔安装位置不正确有何危害?如果不对节流件开孔直径进行修正,将会有何影响?应如何对节流件的开孔直径进行修正?
①在水平管道上安装的节流件,当测量气体流量时,了防止液体积聚;当测量液体流量时,为了防止气体或蒸汽积聚,故在节流件上打一个疏液孔或疏气孔。
②疏液孔应设在节流件两端面的下部。疏气孔应设节流件两端面的上部。如果安装位置不当,容易引起节流件前的冷凝液或气体排泄不畅,以致积液或积气,使管道内流通截面积减小,引起较大误差。
③疏液孔或疏气孔的存在,使得出现一个不经节流件开孔的旁通流量流过节流件,从而引起误差。可用下式对节流件开孔进行修正:

公式中d´为疏液孔或疏气孔是节流件开孔直径修正后的值(mm);d20为修正前20℃时节流件开孔直径(mm);dn为疏液孔或疏气孔直径(mm)。
10、用现场如何改变差压式流量计的测量范围?
在使用现场改变差压式流量计测量范围的常用方法是变更差压变送器测量范围(若想缩小测量范围还要先核对一下雷诺数是否在允许范围之内)。一般来说,差压测量范围扩大或缩小一档,流量测量范围可相应扩大或缩小一档。如果原有差压变送器量程扩大或缩小有余地,则可以在使用现场变更差压测量范围。具体步骤如下:现将差压变送器三阀组的阀门关死,再将正、负压室排液针阀打开,让被测介质放尽,并使负压端通大气,然后从正压室排液口或排气口接入压力源,对差压变送器进行校准。调节差压变送器量程并配以零点调整,将差压变送器测量范围调整到需要数值。
作者:陈美丽
推荐阅读
差压式流量计简介
差压式流量计常用计算公式及计算实例

