位置开关在在自动化控制中用于设备的移动位置判断,比较常见的是行程开关(限位开关)和接近开关,昌晖仪表在本文分享位置开关选型及应用专业知识。
位置开关种类
位置开关有接触式的行程开关(限位开关)和非接触式的接近开关两类。
1、行程开关(限位开关)
行程开关(限位开关)属于接触式机械开关,是由设备运动部件的碰撞来发出控制命令的主令电器,常用于控制生产机械的运动方向、速度、行程大小或位置。常见的如用于行车上用来改变运行方向的限位开关。常见实物如图所示:
2、接近开关
接近开关属于非接触式无触点行程开关,当某种物体与接近开关接近到一定距离时,接近开关就发出动作信号,它不像机械行程开关那样需要施加机械力,而是通过其探头与被测物体间介质能量的变化来获取信号。接近开关的应用极其广泛已经超出了限位和保护的范畴,常用的有用来测量速度,对液面位置的控制,检测金属体等等。
行程开关工作原理及优缺点
行程开关(限位开关)的工作原理相对于比较简单,其内部有常开和常闭的触点,主要靠生产机械某些运动部件碰撞开关的连杆驱动开关的触点引起动作,使闭合的触点分断或者断开的触点闭合。由开关触点状态的改变去控制电路和机构的动作。
◆行程开关优点
①无论何种材质,只要接触的操作力达到一定值,就出发开关。
②采用接点输出方式,可以随外接电压不同而输出不同,无漏电现象。
③不受相邻传感器的影响,输出稳定。
◆行程开关缺点:
①接触式行程开关会磨损和损伤检测对象物,精密物体不建议采用该方法
②接触式行程开关机械寿命有限制。
在前面行程开关的缺点中提到了,行程开关会磨损和损伤被测对象,同时测量精度不高,使用寿命有限制等这些缺点。而接近开关的出现很好的解决了这些问题,那么接近开关有那些优缺点呢?
接近开关优缺点
◆接近开关的优点
①接近开关为非接触测量,不会磨损和损伤检测对象物。
②接近开关采用无触点输出方式,因此寿命延长,采用NPN/PNP输出,对触点的寿命无影响.
③接近开关不受检测对象的污渍和油、水等的影响。
④接近开关高速响应可达3kHz
◆接近开关的缺点
①根据检测物体的材料不同,接近开关检测距离有着显著的差别,一般检测物体为非磁性金属(例如铝等),接近开关检测距离会变小。
②接近开关会受相邻传感器磁性(或静电容量)的影响而相互干扰,输出处于不稳定的状态
③接近传感器OFF时,因电路的运行而有少量的电流泄漏,因此,会发生负载内残留少量电流(负载残留电压),负载的复位不好。
接近开关的分类
接近开关按其工作原理来分,可以分为电感式、电容式、磁感应式和光电式等形式。也可以根据应用电路电流的类型可以分为交流型和直流型。
①电感式接近开关,实物如图所示:
电感式接近开关的感应头是一个具有铁氧体磁芯的电感线圈,因此只能用来检测金属体,在工业应用中使用非常广泛。
②电容式感应开关,实物如图所示:
电容式接近开关的感应头是一个圆形平板电极,而另一个极板是物体的本身,当物体移向接近开关时,物体和接近开关的介电常数发生变化,从而产生信号输出。电容式接近开关不仅可以检测金属物,也可以检测非金属物体或是液体等。
③磁感应式接近开关:实物如图所示:
磁感应式接近开关主要指的是霍尔接近开关,霍尔接近开关的工作原理是霍尔效应,当带磁性的物体靠近霍尔开关时有信号输出。常用的如用来判断气缸是否推出或是缩回到位的判断。
④光电式开关,实物如图所示:
光电开关,克服了前面提到的三种接近开关作用距离短,不能直接检测非金属材料的特点,同时他具有抗电磁干扰能力的优点。光电开关由发射器和接收器组成,发射器用来发射红外线光,接收器用来接收反射的光,然后将光信号转换成电信号,以开关量的形式输出。目前常用于物位控制,液位控制,产品计数,色标检测等场合。
⑤特殊种类的接近开关
当在一些狭小的空间,或是恶劣的工作环境如高温、潮湿、干扰大或者是易爆环境,精度要求高等条件下进行检测的时候,我们需要使用如果光纤接近开关和气动接近开关这种类型的开关。但这种接近开关的价格相对较高。
接近开关选型原则
①检测金属时优先选择感应式接近开关,检测非金属时优先选择电容式接近开关,检测磁信号时优先选择磁感应式接近开关。
②外观的选择,次选择要根据实际使用场合及使用情况来进行选择,常用的有圆柱螺纹形状的。
③检测距离的选择,根据需要选用,但要注意同一接近开关检测距离并不是恒定的,接近开关的检测距离与被检测物体的材料、尺寸以及物体的移动方向有关。
④信号输出的选择,选择输出的是交流信号还是直流信号,交流接近开关输出的是交流信号,直流接近开关输出的是直流信号,直流输出的信号又有NPN输出和PNP输出之分。另外负载的电流一定要小于接近开关的输出电流。
⑤触头数量的选择。接近开关又常开触头和常闭触头,可根据具体的情况来进行选择。
⑥开关频率的选择,开关频率觉得了这个开关的响应速度,开关频率指的是每秒从“开”到“关”转换的次数。直流接近开关可达200kHz,交流接近开关要小一些只能达到25Hz。
⑦接近开关额定电压的选择,对于交流型的接近开关,优先选用AC220V或是AC36V,对于直流型的接近开关,优先选择DC12V或是DC24。
在PLC控制系统中,多数使用的接近开关都是使用直流型输出信号的开关。直流电路中使用的接近开关有二线制、三线制和四线制的接近开关,二线制、三线制、四线制接近开关又分为NPN和PNP两种型号的开关。通常日本和美国多使用NPN型的接近开关,欧洲多使用PNPN型的接近开关。而我国两者都有使用。
接近开关的导线有多种颜色,常用的有棕色、蓝色、黑色、白色。接近开关接线在文章《两线接近开关和三线接近开关的区别和应用》中有详细介绍,在此不再累述。
NPN和PNP开关的区别在于其导通情况,NPN为低电平导通,PNP为高电平导通,换句话说,NPN的接近开关,信号是从负载流向接近开关。而对于PNP的接近开关来说,信号是从接近开关流向负载。
NPN与PNP接近开关如何接入到PLC
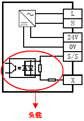
昌晖仪表以三菱FX3U PLC以及西门子S7-200 PLC为例来说明NPN和PNP开关如何接入到PLC控制系统中。根据接线开关接线图,应首先需要找出PLC中的负载是什么。如图所示:

三菱FX3U系列PLC输入接线端子 西门子S7-200系列PLC输入接线端子
大家可以把PLC信号输入端和信号输入端的公共端作为是一个负载的两端,这样根据接近开关接线图以及PNP和NPN的区别就能够很好的完成其接线了。
在此昌晖仪表以FX3U的PLC和三线制的NPN开关为例,说明其接线方法(其他的接线方法大家按照相同的方法分析去接线):
NPN型的接近开关的特性为低电平导通,信号从负载流向接近开关,而接近开关的信号输出线必须接PLC的信号输入点,所以当接NPN型的接近开关时信号是从PLC的输入信号端流出,这样负载的另一端(即公共端COM)就必须接高电平(即接24V+)。这样才能使得信号从输入点流出。接线图如下图所示:
电源可以使用PLC上面提供的一个24V传感器电源,也可以如上图所示使用外部的开关电源进线供电。
相关阅读
限位控制线路工作原理及限位控制电路






