Pt100接线错误将导致显示控制仪显示值虚高,本文对Pt100接线方式及显示控制仪电阻测量回路进行分析,提出Pt100与显示控制仪正确的接线方式。
笔者所在宁波港股份有限公司北仑矿石码头分公司的斗轮堆取料机与装船机主要减速箱均安装有Pt100铂热电阻作为测温元件,并通过显示控制仪将Pt100铂热电阻阻值变送为实际温度,从而实现减速箱的油温保护。但在实际使用中,我们发现显示控制仪YR-GFC803-01-09-HL-N-T显示的温度往往较减速箱实际油温(水银温度计测量结果)偏高5-8℃。经过实验分析,我们发现主要是由于Pt100铂热电阻误的接线方式引起了测量误差。根据该结论,我们调整了Pt100铂热电阻的接线方式,成功消除了测量误差。
1、Pt100铂热电阻测温原理
铂热电阻的阻值随温度的变化而变化,一般情况下,其阻值随温度的增加而增大,根据《GB/T30121-2013工业铂热电阻及铂感温元件》其电阻值计算公式为:
-200<t<0℃,Rt=R0[1+At+Bt2+C(T-100)t3]
0≤t小于850℃,Rt=R0(1+At+Bt2)
其中t为铂热电阻温度,Rt为t℃时的铂热电阻阻值,R0为0℃时的阻值。公式中的A、B、C为常数,其数值为别为:A=3.9083×10-3、B=-5.775×10-7、C=-4.183×10-12。
而Pt100铂热电阻,即是其在0℃时它的阻值为100欧姆,在100℃时它的阻值约为138.5欧姆。因此,只要测得Pt100铂热电阻的准确阻值,即可得到Pt100传感器的所处温度。
2、铂热电阻测温误差分析
由于斗轮堆取料机及装船机均利用Pt00取料,铂热电阻实现减速箱油温保护,并将Pt100显示控制仪YR-GFC803-01-09-HL-N-T高油温报警输出信号接入机上的连锁保护,因此对Pt100的测量精度有一定要求。但在夏季,在环境温度较高的条件下,Pt100铂热电阻测温又虚高,导致斗轮堆取料机及装船机相应高油温故障频发,严重影响设备的正常运行,因此,笔者对该问题进行了实验与认真分析。
在实际使用中,斗轮堆取料机与装船机Pt100铂热电阻均随减速箱布置在各个现场,而与Pt100铂热电阻配套使用的显示控制仪YR-GFC803-01-09-HL-N-T则集中安置在斗轮堆取料机与装船机电气房内。显示控制仪与铂热电阻之间敷设有4×0.5mm2控制电缆,实际使用2芯,备2芯,电缆长度约为50米至70米。通过现场实验,可以发现将显示控制仪临时固定在Pt00铂热电阻旁边时,所测得的温度与水银温度计测量结果比较几乎没有误差,一旦将Pt100铂热电阻恢复接入较远的显示控制仪,则误差随着电缆长度的增加而增加。由于Pt100铂热电阻的电阻值随着温度增加而增加,测得的电阻值一旦偏大会导致了Pt100铂热电阻测温虚高。而在本项目中,正是由于显示控制仪与Pt100铂热电阻之间的电缆本身电阻的阻值较大导致测量误差的存在。
3、Pt100铂热电阻三线制接线与显示控制仪电阻测量回路分析
由于显示控制仪YR-GFC803-01-09-HL-N-T与Pt100铂热电阻之间的电缆电阻客观存在,因此必须采取合理的技术方案,消除该电缆电阻带来的测量误差。以美国微芯公司(Microchip)的三线制热电阻测量方案AN687为例,该方案由恒流源电路、电阻测量回路、模数转换电路、滤波增益回路、单片机等组成,我们重点分析比较其中的电阻测量回路(图1)。

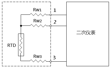
图1 热电阻三线制接法电阻值测量方案
①该测量回路中有恒流源输入I;
②RTD为所需要测量的铂热电阻,设RTD铂热电阻电压为VR;
③RW1、RW2、RW3为热电阻至显示控制仪的线路等效电阻,由于线路长度一致,RW1=RW2=RW3,设三段线路电压分为为VW1、VW2、VW3;
④设运算放大器A3反向输入端电压为V-,同相输入端电压为V+,输出端电压为VA3。根据测量回路,我们可以的得到(VW1+VR+VW3-V-)/R5=(V--VA3)/R6;由于V-=V+=VR+VW3且R5=R6,得VA3=VR;由于该测量回路输入为恒流源,测得运算方法器A3的输出端VA3,即得到VR电压并换算得到RTD电阻值,该阻值进一步处理即可得到热电阻温度。由此可见该三线制测量方案(图2)成功消除了Pt100测量回路中Pt100铂电阻至显示控制仪的线路电阻带来的误差。

图2 Pt100三线制
而原先港机厂商提供的接线方案中,虽然采用了三线制显示控制仪,但实际接线时接了两根线,并在显示控制仪接线端子处端接了1、1端子(见图3),导致测量回路中RW1近似为零,则VW1也为零,将该结果代入公式(VW1+VR+VW3-V-)/R5=(V--VA3)/R6,得到VA3=VR+RW3,即在测量回路中代入了测量回路中线路电阻阻值,导致整个测量结果虚高。

图3 现场Pt00实际接线方案
根据上述分析结果,笔者调整Pt100铂热电阻的接线方式,将原有4芯电缆未接入的第三芯投入使用,使Pt100铂热电阻的接线方式修正为三线制,即成功的消除了测温误差,保证了Pt100铂热电阻测温精度。
4、Pt100铂热电阻四线制接法分析
Pt100铂热电阻的四线制接法,也是一种理想接法(见图4)。铂热电阻四线制接法在该方案中,只要通过1、4端子给铂热电阻输入一恒流电流I,并将2、3端子接入电压表。由于电压表内阻较大,测得的电压即为铂热电阻电压,该电压除去电流I后就可以得到铂热电阻阻值。四线制接法以其高精度在实验室温度测量中得到广泛应用,但是,由于使用成本、接线方便性等因素的制约,在工业现场实际使用中,三线制接法的使用更加广泛。

图4 Pt100四线制
根据以上分析,Pt100铂热电阻的使用虽然简单,但由于测量回路线路电阻的影响,需要根据实际使用情况选择三线制或四线制接法及相应的显示控制仪,切不可随意短接显示控制仪侧的端子,否则必然存在温度虚高现象。如果实际使用中已采用两线制Pt100铂热电阻,且现场环境重新布线不便的条件下,也可以考虑测量出显示控制仪至Pt100的控制电缆电阻,将该阻值换算为温度后,可直接在显示控制仪YR-GFC803-01-09-HL-N-T上通过Pb1参数,直接减去该部分温度,抵消线路电阻带来的测量误差。
推荐阅读
Pt100两线制、三线制和四线制接线对测温精度的影响

