西门子S7-1200是一款紧凑型、模块化的PLC,可完成简单逻辑控制、高级逻辑控制、HMI 和网络通信等任务。对于需要网络通信功能和单屏或多屏HMI的自动化系统,易于设计和实施。具有支持小型运动控制系统、过程控制系统的高级应用功能。SIMATIC S7-1200具有用于进行计算和测量、闭环回路控制和运动控制的集成技术,是一个功能非常强大的系统,可以实现多种类型的自动化任务。昌晖仪表分享S7-1200系列PLC全套接线图给大家,收藏起来慢慢看!
一、S7-1200输入输出接线图
1、CPU 1211C接线图
◆CPU 1211C AC/DC/继电器(6ES7 211-1BE40-0XB0)接线图

①24VDC传感器电源
②对于漏型输入将负载连接到“-”端(如图示);对于源型输入将负载连接到“+”端
◆CPU 1211C DC/DC/继电器(6ES7 211-1HE40-0XB0)接线图

①24VDC传感器电源
②对于漏型输入将负载连接到“-”端(如图示);对于源型输入将负载连接到“+”端
◆CPU 1211C DC/DC/DC(6ES7 211-1AE40-0XB0)接线图

①24 VDC 传感器电源
②对于漏型输入将负载连接到“-”端(如图示);对于源型输入将负载连接到“+”端
2、CPU 1212C接线图
◆CPU 1212C AC/DC/继电器(6ES7 212-1BE40-0XB0)接线图

①24VDC传感器电源
②对于漏型输入将负载连接到“-”端(如图示);对于源型输入将负载连接到“+”端
◆CPU 1212C DC/DC/继电器(6ES7 212-1HE40-0XB0)接线图

①24VDC传感器电源
②对于漏型输入将负载连接到“-”端(如图示);对于源型输入将负载连接到“+”端
◆CPU 1212C DC/DC/DC(6ES7 212-1AE40-0XB0)接线图

①24VDC传感器电源
②对于漏型输入将负载连接到“-”端(如图示);对于源型输入将负载连接到“+”端
3、CPU 1214C接线图
◆CPU 1214C AC/DC/继电器(6ES7 214-1BG40-0XB0)接线图

①24VDC传感器电源
②对于漏型输入将负载连接到“-”端(如图示);对于源型输入将负载连接到“+”端
◆CPU 1214C DC/DC/继电器(6ES7 214-1HG40-0XB0)接线图

①24VDC传感器电源
②对于漏型输入将负载连接到“-”端(如图示);对于源型输入将负载连接到“+”端
◆CPU 1214C DC/DC/DC(6ES7 214-1AG40-0XB0)接线图

①24VDC传感器电源
②对于漏型输入将负载连接到“-”端(如图示);对于源型输入将负载连接到“+”端
4、CPU 1215C接线图
◆CPU 1215C AC/DC/继电器(6ES7 215-1BG40-0XB0)接线图

①24VDC传感器电源
②对于漏型输入将负载连接到“-”端(如图示);对于源型输入将负载连接到“+”端
◆CPU 1215C DC/DC/继电器(6ES7 215-1HG40-0XB0)接线图

①24VDC传感器电源
②对于漏型输入将负载连接到“-”端(如图示);对于源型输入将负载连接到“+”端
◆CPU 1215C DC/DC/DC(6ES7 215-1AG40-0XB0)接线图

①24VDC传感器电源
②对于漏型输入将负载连接到“-”端(如图示);对于源型输入将负载连接到“+”端
5、CPU 1217C接线图
◆CPU 1217C DC/DC/DC(6ES7 217-1AG40-0XB0)接线图

①24VDC传感器电源
②对于漏型输入将负载连接到“-”端(如图示);对于源型输入将负载连接到“+”端
③5V差分信号输入
④5V差分信号输出
CPU 1217C常见问题
Q1:差分信号能不能当普通的DI/DO点使用?
答:不能。详情可见《S7-1200系统手册》的附录
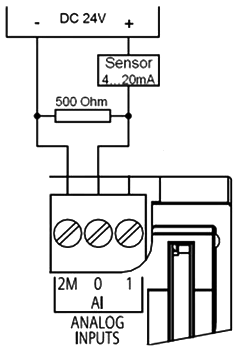
Q2:S7-1200 CPU自带模拟量输入通道能否接入0-20mA电流信号?怎么接线?
答:S7-1200自带模拟量输入通道支持0-10V电压信号。如果需要接0-20mA电流信号, 可并联1个500Ω的电阻。
注意:使用500Ω电阻时,必须注意这种测量方式的功率消耗。并确保电阻两端外加DC24V电压时,电阻功率消耗至少为1.16W。同时,此方法精度无法保证。
以S7-1200自带模拟量输入通道接入常用的两线制传感器4-20mA电流信号为例,如下图:

二、数字量信号模块输入输出接线图
1、SM 1221数字量输入
◆数字量输入模块6ES7 221-1BF32-0XB0接线图

◆6数字量输入模块ES7 221-1BH32-0XB0)接线图

对于漏型输入将负载连接到“-”端(如图示);对于源型输入将负载连接到“+”端
2、SM 1222数字量输出
◆SM1222 DQ 8×继电器(6ES7 222-1HF32-0XB0)接线图

◆SM1222 DQ 8×24VDC(6ES7 222-1BF32-0XB0)接线图

◆SM1222 DQ 16×继电器(6ES7 222-1HH32-0XB0)接线图

◆SM1222 DQ 16×24VDC(6ES7 222-1BH32-0XB0)接线图

SM 222 DQ 8继电器切换模块使用公共端子控制两个电路:一个常闭触点和一个常开触点。
例如输出"0",当输出点断开时,公共端子(0L)与常闭触点(.0X)相连并与常开触点(.0)断开。当输出点接通时,公共端子(0L)与常闭触点(.0X) 断开并与常开触点(.0)相连。
◆SM1222 DQ 16×继电器切换(6ES7 222-1XF32-0XB0)接线图

3、SM 1223 数字量输入/输出
◆SM1223 DI 8×24VDC,DQ 8×继电器(6ES7 223-1PH32-0XB0)接线图

◆SM1223 DI 16×24VDC,DQ 16×继电器(6ES7 223-1PL32-0XB0)接线图

◆SM1223 DI 8×24VDC,DQ 8×24VDC(6ES7 223-1BH32-0XB0)接线图

◆SM1223 DI 16×24VDC,DQ 16×继电器(6ES7 223-1BL32-0XB0)接线图

对于漏型输入将负载连接到“-”端(如图示);对于源型输入将负载连接到“+”端
SM 1223也有交流电压输入、继电器输出的模块, 如下所示:
SM 1223 DI 8×120/230 VAC,DQ 8×继电器(6ES7 223-1QH32-0XB0)接线图

数量信号板
通过信号板(SB, Signal Board)可以给CPU增加I/O。提供所有SIMATIC S7-1200控制器的低成本有效扩展,同时保持原有空间,SB连接在CPU的前端。

1、SB 1221 200kHZ数字量输入接线
仅支持源型输入
2、SB 1222 200kHZ数字量输出接线
对于源型输出将负载连接到“-”端(如图示);对于漏型输出将负载连接到“+”端
3、SB 1223 200kHZ数字量输入/输出接线
①仅支持源型输入
②对于源型输出将负载连接到“-”端(如图示);对于漏型输出将负载连接到“+”端
4、SB 1223数字量输入/输出接线
◆SB 1223 DI 2×24VDC/DQ 2×24VDC(6ES7 223-0BD30-0XB0)接线图

仅支持漏型输入
源型/漏型输入接线说明
◆支持源型输入的信号板:
6ES7 221-3BD30-0XB0;6ES7 221-3AD30-0XB0;6ES7 223-3BD30-0XB0;6ES7 223-3AD30-0XB0
◆支持漏型输入的信号板:
6ES7 223-0BD30-0XB0
◆支持源型输入的信号模板:
6ES7 221-1BF32-0XB0;6ES7 221-1BH32-0XB0;6ES7 223-1PH32-0XB0;6ES7 223-1PL32-0XB0;6ES7 223-1BH32-0XB0;6ES7 223-1BL32-0XB0
◆支持漏型输入的信号模板:
6ES7 221-1BF32-0XB0;6ES7 221-1BH32-0XB0;6ES7 223-1PH32-0XB0;6ES7 223-1PL32-0XB0;6ES7 223-1BH32-0XB0; 6ES7 223-1BL32-0XB0
可以参考《S7-1200系统手册》
数字量的输入信号类型总结:CPU集成的输入点和信号模板的所有输入点都既支持漏型输入又支持源型输入,而信号板的输入点只支持源型输入或者漏型输入的一种。
漏型输入见模板接线图,源型输入接线参考下图。

源型/漏型输出接线说明
支持源型输出的信号板:
6ES7 222-1AD30-0XB0;6ES7 222-1BD30-0XB0;6ES7 223-3AD30-0XB0;6ES7 223-3BD30-0XB0;6ES7 223-0BD30-0XB0
注意:所有支持源型输出的晶体管输出信号模块都只支持源型输出,不支持漏型输出。
支持漏型输出的信号板:
6ES7 222-1AD30-0XB0;6ES7 222-1BD30-0XB0;6ES7 223-3AD30-0XB0;6ES7 223-3BD30-0XB0
注意:数字量的输出信号类型,只有 200 KHZ的信号板输出既支持漏型输出又支持源型输出,其他信号板、信号模块和 CPU 集成的晶体管输出都只支持源型输出。
常见问题
Q1:为何SM1223已连接,信号输出通道指示灯也亮,但无电压输出?
答:S7-1200扩展模块输出通道指示灯电源由总线提供,但信号输出需要模块供电,正确接线方式如下图所示:

三、模拟量模块输入输出接线图
SM1231模拟量输入
SM 1232模拟量输出
SM 1234模拟量输入/输出
SB 1231模拟量输入(信号板)
SB 1232模拟量输出(信号板)
AI连接传感器接线方式
图1.4 线制传感器
图2.3 线制传感器
图3.2 线制传感器
TC 信号模块
1、TC信号模块接线
TC信号板接线
2、RTD信号模块
RTD信号模块接线
RTD信号板接线



