4P漏电保护开关能否用于三相或单相回路?这里先给出答案:4P漏电保护开关能否用于三相或单相回路,从电流矢量和检测原理的角度考虑,漏电保护功能不受影响,但是测试按钮开关取电的形式会决定主回路接线,所以建议参考厂家的安装示意图。
本文以ABB F204漏电保护开关为例进行说明,其余厂家产品建议参考安装说明。

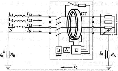
通俗的理解,4P漏电保护保护开关的工作原理是基于检测所有带电导体A、B、C、N回路内电流矢量和是否为0

正常情况下,当电路中没有发生触电、漏电或接地故障时,通过剩余电流互感器一次测的电流矢量和为0,此时二次侧线圈也无感应电流,剩余电流保护器不动作。
IA+IB+IC+IN=0
当电路中发生设备漏电、触电等接地故障时,由于存在接地故障电流Id,此时I1和I2不再相等,所以剩余电流互感器检测出电流矢量和不为0,如果Id大于剩余电流保护器的动作值(比如30mA),保护器动作。
IA+IB+IC+IN≠0
如果把4P漏电保护开关接到没有中性线N的三相电路或者只有L和N的单相电路中,理论上内部剩余电流互感器还是检测ABC或L-N的电流矢量和是否为0,来判断系统是否出现了漏电(接地)故障。
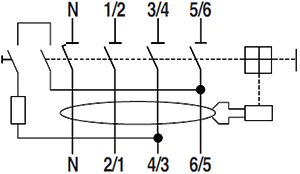
但是,我们不能忽略漏电保护器的日常测试按钮回路的供电,如下图4P漏电保护开关的N极处于右侧,测试按钮回路串联在5/6-6/5和7/8/N-8/7/N两极之间。
按照产品标准和相关规范,其工作电压范围从110V到254V之间。

所以,如果三相电路A、B、C或单相电路L-N接线时,开关最右边两极始终都接入电路,那么漏电保护和测试按钮功能都不会受到影响。

但是,如果最右边N极始终不接,那么就需要在N极与3/4-4/3 极之间增加一个电阻连接线,确保测试按钮回路供电正常,电阻阻值依据漏电动作电流大小选择。

对于N极在左侧的4P漏电保护开关,测试按钮回路是串联在3/4-4/3和5/6-6/5两极。

此时,所有带电导体靠右接线都不会影响其功能。

所以,4P漏电保护开关能否用于三相或单相回路,从电流矢量和检测原理的角度考虑,漏电保护功能不受影响,但是测试按钮开关取电的形式会决定主回路接线,所以建议参考厂家的安装示意图。
作者:宾昭平
相关阅读
◆微型断路器你真的会用吗
◆为何双极断路器的相线端子和N线端子不能互换

