单是第一眼看到这个方法,的确是一见钟情了,非常简易的方案,低功耗设计,将电路板集成在表笔中,简约而不简单。很难想象,这个是一个4½位万用表。

简易4½位万用表特性
◆4½位、50K计数分辨率
◆支持蓝牙低耗能(BLE)的无线MCU,适用于物联网无线应用
◆由CapTIvate电容式触控技术实现的自动唤醒功能
◆低功耗设计和电源管理系统
◆由NFC动态界面实现的BLE移动应用程序配对功能
◆基于固件的真正RMS测量
◆电压:50V、5V、500mV和50mV
◆电流:50mA和500µA
◆具有18位400kSPSSARADC,可实现:
①50,000显示计数分辨率
②1µV/10nA分辨率
③在100kHz时具有0.05%直流精度、3%交流精度
简易4½位万用表设计框图

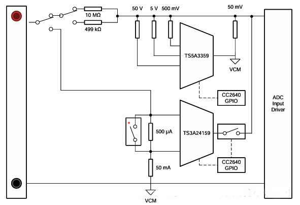
DMM前端电路框图
电压测量是通过将外部被测设备(DUT)电压施加在万用表(DMM)输入端(红色)和COM端(黑色)之间,并将机械开关设置到“电压”位置来完成的。这些输入端支持正、负电压极性。AFE模块的电压测量部分提供了适当的电压缩放,以支持由MCU选择的四个可用电压范围。这是通过由1:3TS5A3359模拟多路复用器控制的可配置分压器或衰减网络来实现的。多路复用器可以保持开路状态,也可以选择不同的电阻,以根据每个电压范围的需要更改分压器。如下图所示,TS5A3359可以独立启用50V、5V或500mV的分压电阻。这些电阻与50mV电阻并联,以与电压端输入电阻建立所需的分压比例。50mV范围的分压比例是在禁用50V、5V和500mV电阻的情况下建立的。该分压器网络在所有电压范围内的有效输出信号电平为±50mV。实际设计还包括一个与电阻网络并联的相应电容分压网络,以补偿和校准整体系统交流频率响应(更多细节请参见原理图)。电压输入端所示的10MΩ电阻为所有分压器网络设置提供恒定电阻。为了满足表1中列出的所有电压范围的输入阻抗要求,需要使用10MΩ,但其相对较高的阻值会对系统的噪声和分辨率性能产生负面影响。因此,在下图的参考设计中包含了一个开关,以在低50mV范围设置下提供更好的噪声和分辨率性能,同时通过在电压分压时使用100MΩ电阻来满足输入阻抗要求。

电流测量
当前的测量部分提供由MCU选择的500µA和50mA电流量程设置。两个分流电阻连接在DMM(红色)端子(设定为“电流”位置)和COM(灰色)端子之间,用于将各自的电流转换为电压。这些输入端子支持正负电流极性。使用双2:1TS3A24159模拟多路复用器在两个量程之间进行选择。TS3A24159中的第二个多路复用器用作基本模拟开关功能,在选择50mA量程时旁路500µA量程的分流电阻。分流电阻网络的输出电压范围也约为±50mV,这是由50mV的负载电压要求决定的。TSA3166SPST模拟开关提供了电流分流电阻的隔离,防止其与用于电压测量的分压器并联。
输入缓冲和放点电路
电压模式和电流模式输出信号向ADC输入驱动缓冲器提供±50mV信号。已选择配置为电压跟随器的OPA313来缓冲该信号,以向THS4531全差动放大器(FDA)提供低阻抗输出。此外,OPA313具有足够的带宽,通过在100kHz时提供小于1%的信号衰减,支持TIDA-01012在100kHz下3%的精度设计目标。这款THD4531FDA用于将50mV信号放大,以匹配ADC的2.5V参考电压。为该参考设计选择了标称增益为44.2,以向ADC提供高达约±2.2V的信号,同时考虑设计公差和THS4531输出缓冲器的轨到轨电压裕量。THS4531还具有优秀的带宽特性,以满足TIDA-01012精度设计目标的要求。

无线MCU
CC2640器件是一款面向蓝牙低能耗应用的无线MCU。该器件是CC26xx系列的成员,该系列为成本效益高、超低功耗的2.4GHz无线射频器件。极低的工作RF电流和MCU电流以及低功耗模式电流消耗提供了出色的电池寿命,使其能够在小型纽扣电池和能量收集应用中运行。
CC2640器件包含一个32位ARM®Cortex®-M3处理器,主处理器运行频率为48MHz,并具有丰富的外设功能,包括独特的超低功耗传感器控制器。该传感器控制器非常适合连接外部传感器并在系统其余部分处于睡眠模式时自主收集模拟和数字数据。因此,CC2640器件非常适合对电池寿命长、小型化和易用性有要求的广泛应用。蓝牙低能耗控制器嵌入到ROM中,并部分运行在ARMCortex-M0处理器上。这种架构提高了整体系统性能和功耗效率,同时释放了应用程序的闪存空间。

MCU
MSP430FR263x和MSP430FR253x是基于FRAM的超低功耗MSP微控制器,具有CapTIvate触摸技术,适用于按钮、滑块、轮(BSW)和接近应用。CapTIvate技术在市场上提供最高分辨率的电容触摸解决方案,同时具有高可靠性和抗噪能力,并且功耗最低。CapTIvate技术支持同一设计中自电容和互电容电极的并行使用,以实现最大灵活性。通过CapTIvate设计中心,工程师可以使用易于操作的GUI快速开发BSW应用。TI的低功耗MCU系列包括多种设备,具有针对不同应用的不同外设组合。其架构结合了广泛的低功耗模式,经过优化以在便携测量应用中实现延长电池寿命。该MCU配备强大的16位RISCCPU、16位寄存器和常数生成器,有助于实现最大代码效率。数字控制振荡器(DCO)使MCU能够从低功耗模式唤醒至活动模式,通常耗时不到10微秒。

ADC
ADS8885是一款18位、400kSPS、真正差分输入的ADC。该器件可使用2.5至5V的外部参考电压,从而在无需额外输入信号缩放的情况下提供广泛的信号范围选择。参考电压的设定独立于模拟电源电压(AVDD),并且可以高于AVDD。该器件提供兼容串行外设接口(SPI)的串行接口,同时支持菊链操作,可级联多个器件。可选的忙指示位使与数字主机同步变得容易。器件支持单极性、真正差分的模拟输入信号,差分输入摆幅为-VREF到VREF。该真正差分输入结构允许共模电压在0V至VREF范围内任意值(当两个输入都在操作输入范围-0.1V至VREF+0.1V内时)。器件操作针对超低功耗进行了优化。功耗与速度直接相关。这一特性使ADS8885非常适合低速应用。

选择像ADS8885这样低功耗的SARADC有助于实现低功耗设计,同时仍能达到满足设计目标所需的分辨率和速度。下表中的比较显示了额外的18位低功耗、高吞吐量的SARADC。

信号调理
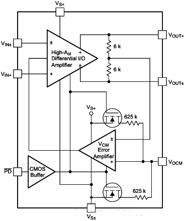
THS4531是一款低功耗、全差分运算放大器,输入共模范围低于负电源轨且输出可实现轨到轨。该器件专为低功耗数据采集系统和对功耗及功耗散耗要求严格的高密度应用而设计。该器件具有精确的输出共模控制,可在驱动ADC时实现直流耦合。这种控制结合低于负电源轨的输入共模范围和轨到轨输出,使从单端接地参考信号源到SAR和ΔΣ(ΔΣ)ADC的接口变得轻松,并且仅需单电源2.5至5伏电源即可工作。THS4531也是一般用途低功耗差分信号调理应用的重要工具。

OPAx333是一系列零漂移、低功耗、输入输出轨到轨的运算放大器。这些器件工作电压范围为1.8至5.5V,具备单位增益稳定性,适用于各种通用应用。零漂移架构提供超低偏置电压和接近于零的偏置电压漂移。OPA333和OPA2333均具有单位增益稳定性,并且不会出现意外的输出相位反转。这些器件采用专有的自动校准技术,实现低偏置电压以及在时间和温度变化下的极低漂移。

OPAx313是一系列低功耗、轨到轨输入和输出的运算放大器,专为便携式应用设计。这些器件工作电压范围为1.8到5.5V,具备单位增益稳定性,适用于广泛的通用应用。其AB类输出级能够驱动连接在任意V点与地之间的≤10kΩ负载。输入共模电压范围包含两个电源轨,使OPAx313系列几乎可用于任何单电源应用。轨到轨输入和输出摆幅显著增加了动态范围,尤其在低电源电压应用中,并且非常适合驱动采样ADC
OPAx313具有1MHz带宽和0.5V/μs的转换速率,每通道仅消耗50μA电源电流,在极低功耗下提供良好的交流性能。直流应用也同样表现优异,具有1kHz下25nV/√Hz的低输入噪声电压、低输入偏置电流(0.2pA)以及0.5mV的输入失调电压(典型值)。典型的失调电压漂移为2μV/°C;在整个温度范围内,输入失调电压仅变化200μV(从0.5到0.7mV)。

电压基准
REF33xx是一系列低功耗、高精度带隙电压参考器,专为极低压差、优异的初始电压精度和高输出电流而设计,典型温漂为9ppm/°C。

模拟开关
TS3A24159是一个双通道单刀双掷(SPDT)双向模拟开关,设计用于1.65至3.60V的工作电压。它提供较低的导通电阻和出色的导通电阻匹配,并具有断开前闭合功能,以防止信号从一个通道传输到另一个通道时发生信号失真。该器件具有优异的总谐波失真(THD)性能、低导通电阻且功耗非常低。这些特性使该器件适用于各种市场和许多不同的应用。

TS5A3166是一种单刀单掷(SPST)模拟开关,设计用于1.65至5.5V的操作电压。该器件具有较低的导通电阻,出色的总谐波失真(THD)性能,并且功耗非常低。这些特性使其适合用于便携式音频应用。

TS5A3359是一款双向、单通道、单刀三掷(SP3T)模拟开关,设计工作电压范围为1.65至5.5V。该器件在提供信号切换解决方案的同时保持出色的信号完整性,使TS5A3359适用于包括个人电子产品、便携式仪器以及测试与测量设备在内的各类市场的广泛应用。该器件通过其低导通电阻、出色的导通电阻匹配以及总谐波失真(THD)性能来保持信号完整性。为了防止信号在从一个通道切换到另一个通道过程中产生失真,TS5A3359还具有指定的断开优先(break-before-make)特性。该器件功耗极低,并在VCC=0时提供隔离功能。

NFC接口芯片
动态NFC接口收发器RF430CL330H是一种NFC标签类型4设备,结合了无线NFC接口和有线SPI或I2C(集成电路互连)接口,用于将设备连接到主机。SRAM中的NDEF消息可以通过集成的SPI或I2C串行通信接口进行读写,也可以通过支持高达848kbps的集成ISO14443B兼容RF接口进行无线访问和更新。这一操作允许NFC连接切换到其他传输载体,如蓝牙、低功耗蓝牙和Wi-Fi®,从而实现轻松直观的配对或认证过程,只需轻触一次即可完成。作为通用NFC接口,RF430CL330H使终端设备能够与快速增长的支持NFC的智能手机、平板电脑和笔记本电脑基础设施进行通信。

电池管理
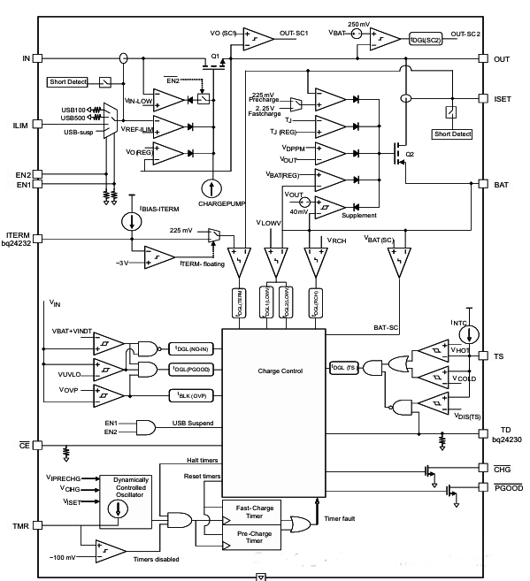
bq24232设备是集成的锂离子线性充电器和系统电源路径管理设备,主要面向空间受限的便携式应用。该设备在为系统供电的同时,可以独立充电电池。这一特性可以减少电池的充放电循环次数,实现正确的充电终止,并使系统在电池损坏或缺失的情况下继续运行。同时,即使电池完全放电,也可以实现系统瞬间开机。用于为电池充电和为系统供电的输入电源可以是交流适配器或USB端口。该设备具有动态电源路径管理(DPPM)功能,可以在系统和电池充电之间共享源电流,并在系统负载增加时自动降低充电电流。当从USB端口充电时,输入动态电源管理(VIN-DPM)电路会在输入电压低于阈值时降低输入电流限制,从而防止USB端口崩溃。电源路径架构还允许当适配器无法提供峰值系统电流时,由电池补充系统所需电流。

bq27426电量计可以准确预测单个锂基可充电电池的容量和其他运行特性。系统处理器可以查询它,以提供电池状态信息,例如电荷状态(SoC)。

TPS6274x是首款具有超低静态电流消耗(典型值360nA)的降压转换器,并采用TI的DCS-Control™拓扑结构来调节输出电压。该器件将高效率运行扩展到输出电流低至几微安的情况。

TPS782系列LDO专为电池供电的应用设计,在这些应用中超低静态电流是关键参数。TPS782系列与TIMSP430及其他类似产品(如CC2640)兼容。使能引脚(EN)兼容标准CMOS逻辑。该LDO系列在任何大于1.0μF的输出电容下均保持稳定。

ESD保护
TPD1E10B06是一款单通道ESDTVS二极管,采用小型0402封装。该TVS保护产品提供±30kVIEC空气间隙和±30kV接触ESD保护,并带有用于双极性或双向信号支持的背靠背TVS二极管的ESD夹电路。这款ESD保护二极管的12pF线路电容适用于支持高达400Mbps数据速率的各种应用。0402封装是行业标准,便于在节省空间的应用中放置元件。该ESD保护产品的典型应用包括音频线路(麦克风、耳机和免提电话)、SD接口、按键或其他按钮、USB端口的VBUS引脚和ID引脚,以及通用I/O端口的电路保护。该ESD夹非常适合用于保护终端设备,如电子书、平板电脑、遥控器、可穿戴设备、机顶盒及电子销售点设备。
电平转换
LSF系列可用于电平转换应用,用于不同接口电压的设备或系统之间的互联。LSF系列非常适合在数据I/O连接开漏驱动器的应用中使用。在合适的上拉电阻和布局下,LSF可实现100MHz的速度。LSF系列也可用于数据I/O连接推挽驱动器的应用中。

LSF系列由双向电压电平转换器组成,工作电压范围为0.8至4.5V(Vref_A)和1.8至5.5V(Vref_B)。该范围允许在无需方向端子的情况下,在开漏或推挽应用中进行0.8至5.0V的双向电压转换。LSF系列支持最高100MHz传输速度的电平转换应用。

相关阅读
◆盘点几款万用表专用芯片
◆进行电气测试时,聪明人使用万用表的不明智之举

