水在锅炉中变成合格的过热蒸汽,要经过加热、汽化、过热三个过程。由给水加热成饱和水是加热过程;饱和水汽化成饱和蒸汽是汽化过程;饱和蒸汽加热成过热蒸汽是过热过程。
上述三个过程分别由省煤器、蒸发受热面、过热器来完成。
汽包与上述三个过程都有联系,它要接受省煤器的来水;与蒸发受热面构成循环回路;饱和蒸汽要由汽包分送到过热器。汽包既是加热、汽化、过热三个过程的交汇点,也是加热、汽化、过热三个过程的分界点。因此,称汽包是锅炉加热、汽化、过热三个过程的连接枢纽。
锅炉汽包
一、蒸汽有关基本知识
1、饱和蒸汽 一定压力下,水沸腾时产生的蒸汽称为饱和水蒸汽或温度等于对应压力下饱和温度的蒸汽称为饱和水蒸气,即在平衡状态下,汽水混合物中的水蒸气是饱和水蒸气。
2、过热蒸汽 饱和蒸汽继续加热所产的蒸汽
3、过热度 蒸汽过热的程度称为过热度,在数值上等于过热蒸汽温度减去对应压力下的饱和蒸汽温度。
4、蒸汽主要参数 蒸汽温度、压力、锅炉容量(锅炉容量就是锅炉的蒸发量,也就是锅炉每小时所产生的蒸发量,单位有t/h和kg/s)。蒸汽压力与饱和蒸汽温度对照见附表。
二、产生蒸汽的方式
1、锅炉式:热动所从事的职业。产生的蒸汽多用作开车驱动及大功率汽轮机的驱动。
2、换热器+汽包:利用装置区的烟气、反应气的废热加热循环水,产生蒸汽。在博源联化正常运转时的透平驱动蒸汽主要由40w、60w转化气废热加热脱盐、除氧水产生。
3、换热器式:多为釜式换热器。蒸汽品质低,温度、压力较低。
三、锅炉给水
锅炉对循环水有严格的要求,必须经过脱盐、除氧。
1、脱盐
主要去除水中钙、镁离子及沉降物,防止结垢。因为结垢会影响锅炉传热效率和热循环。结垢严重时会导致炉管、水路堵塞,引发停炉和锅炉爆炸等事故。
制取脱盐水的方法主要有以下三种:
①蒸馏法,使含盐的水加热蒸发,将蒸气冷凝即得脱盐水;
②离子交换法,使含盐的水通过装有泡沸石或离子交换剂的交换柱(见离子交换),钙、镁等离子留在交换柱上,滤过的水为脱盐水;
③电渗析法,借离子交换膜对离子的选择透过性,在外加电场作用下,使两种离子交换膜之间的水中的阳、阴离子,分别通过交换膜向阴、阳两极集中。于是膜间区成为淡水区,膜外为浓水区,从淡水区引出的水即为脱盐水。
④加药沉淀,常见的药剂有磷酸三钠、苛性钠、碳酸钠。
2、除氧
氧是锅炉给水系统的主要腐蚀性物质,给水系统中的氧应当迅速得到清除,否则它会腐蚀锅炉的给水系统和部件,腐蚀性物质氧化铁会进入锅炉,沉积或附着在锅炉管壁和受热面上,形成难溶而传热不良的铁垢,腐蚀的铁垢会造成管道壁出现点坑,阻力系数增大。管道腐蚀严重时,甚至会发生管道爆炸事故。国家规定蒸发量大于等于2吨每小时的蒸汽锅炉和水温大于等于95℃的热水锅炉都必须除氧。
除氧方法:多采用热力加化学除氧
①热力除氧
热力除氧一般有大气式热力除氧和喷射式热力除氧。原理是将锅炉给水加热至沸点,使氧的溶解度减小,水中氧不断逸出,再将水面上产生的氧气连同水蒸汽道排除,这样能除掉水中各种气体(包括游离志CO2,N2)。在除氧罐顶部配有汽水分离装置,有旋风分离式,也有类系于除沫器一层层堆叠起的丝网。热力除氧是目前应用最多的一种除氧方法。
②真空除氧
这是一种中温除氧技术。相对热力除氧技术来说,它的加热条件有所改善,锅炉房自耗汽量减少,但热力除氧的大部分缺点仍存在。真空除氧的高位布置,对运行管理喷射泵、加压泵等关键设备的要求比热力除氧更高。低位布置也需要一定的高度差,而且对喷射泵、加压泵等关键设备的运行管理要求也很高,另外还增加了换热设备和循环水箱。真空除氧能利用低品位余热,可用射流加热器加热软化水,又能分级及低位安装,除氧可靠,运行稳定,操作简单,适用围广。
③化学除氧
a、钢屑除氧
水经过钢屑过滤器,钢屑被氧化,把水中的溶解氧除去。这种方法有独立式和附设式两种。此法水温要求大于70℃,以80~90℃温度效果最好,温度20~30℃除氧效果最差。即用钢屑要求压紧,越紧越好,水中含氧量越大,要求水流速降低。因为钢屑除氧自应用以来技术改进和提高不大,除氧效果也不太可靠,一般用在对给水品质要求不高的小型锅炉房,或者作为热力网补给水,以及高压锅炉热力除氧后的补充除氧,一般仅作辅助措施。
b、亚硫酸钠除氧
这是一种炉加药除氧法。一般使用亚硫酸钠作为除氧剂。通常,其加药量要比理论值大。温度愈高,反应时间愈短,除氧效果愈好。当锅炉水pH=6时,效果最好,若pH增加则除氧效果下降。加入铜、钴、锰、锡等作催化剂,可提高除氧效果。该方法投资低、安全,操作也较为简单。但此法加药量不易控制,除氧效果不可靠,无法保证选标。另外,还会增加锅炉水含盐量,导致排污量增大、浪费热量,很不经济。该方法一般用在小型锅炉房和些对水质要求较高的热力系统中,作为辅助除氧方式。
c、联氨除氧(联氨化学式N2H4,又名肼)
目前,此法多用作热力除氧后的辅助措施,以达到彻底清除水中的残留氧,并不增加锅炉水的含盐量。当压力大于6.3MPa时,亚硫酸钠要分解成腐蚀性很强的二氧化硫和硫化氢。因此,高压锅炉多采用联氨除氧,联氨与氧反应生成氮和水,有利于阻碍锅炉的进一步腐蚀。因联氨有毒,容易挥发,不能用于饮用水锅炉和生活用水锅炉除氧。许多锅炉使用单位正限制或不再使用此法。
④解析除氧
解析除氧是近年来兴起的一种比较先进的技术。其工作原理是将不含氧的气体与要除氧的给水强烈混合接触,使溶解在水中的氧解析到气体中去,如此循环而使给水达到脱氧的目的。
四、换热器+汽包式蒸汽发生器简介
1、换热器(相当于锅炉)循环水主要吸热的场所,通常管程走高温烟气、反应气,壳程为走水。
2、汽包作用
①汽包与换热器之间由上升管和下降管连接,形成汽包自身的水循环。汽包水循环是对流热循环。锅炉产生的热水(蒸汽)由上升管进入汽包,热的水质量轻往上走的过程中将热量进行交换,部分水转化为气态;汽包冷水在重力作用下经下降管补充至锅炉。水在虹吸作用下在汽包与锅炉间的循环就是汽包的自循环。蒸汽上升量与水下降量是正相关的。若借助泵将锅炉水直接打至汽包,维持汽包的液位,这种方式叫强制循环。
与此同时汽包接受循环给水泵的给水,以及向过热器输送饱和蒸汽,或直接输出蒸汽,因此,汽包是是工质加热、蒸发、过热三过程的连接枢纽,保证锅炉正常的水循环。
②汽包部有汽水分离装置和连续排污装置,保证锅炉蒸汽品质。
③有一定水量,具有一定蓄热能力,在锅炉工况发生变化时,能减缓汽压的变化速度,起到稳定汽压的作用
④汽包上有压力表、水位计、事故放水、安全阀等设备,保证锅炉安全运行。
⑤汽包是一个平衡容器,提供水冷壁汽水混合物流动所需的压力。
3、汽包结构
汽水分离器:低压蒸汽,采用水下孔板+丝网或波纹板的形式即可。中压蒸汽一级分离为旋风分离,二级为钢丝网或百叶窗加均匀汽孔板。高压蒸汽(大于等于10MPa)则需要增加蒸汽清洗,或者盐端分离等技术。
旋风分离器由简体、引入管、项帽、溢流环、简底导叶和底板等部件组成。
其工作原理及工作过程是:较高流速的汽水混合物,经引入管切向进入简体而产生旋转运动,在离心力的作用下,将水滴抛向筒壁,使汽水初步分离。分离出来的水通过筒底四周导叶,流人汽包水容积中。饱和蒸汽在筒体向上流动,进入顶帽的波形板间隙中曲折流动,在离心力和惯性力的作用下,小水滴被抛到波形板上,在附着力作用下形成水膜下流,经简壁流入汽包水容积,使汽水进—步分离,而饱和蒸汽从顶帽上方或四周引入汽包蒸汽空间。
沿汽包长度在两侧装设若干旋风分离器,每个旋风分离器筒体顶部配置有百页窗(波形板)分离器,它们的主要作用是将由上升管引入的汽水混合物进行汽和水的初步分离。在汽包的中上部,水平装没蒸汽清洗孔板,其上有清洁给水层,当蒸汽穿过水层时,便将溶于蒸汽或携带的部分盐分转溶于水中,以降低蒸汽的含盐。靠近汽包的顶部设有多孔板,均匀汽包上升蒸汽流,并将蒸汽中的水分进一步分离出来。汽包中心线以下150mm左右设有事故放水管口;正常水位线下约200mm处设有连续排污管口,再下面布置加药管。下降管入口处还装设了十字挡板.以防止下降管口产生漩涡斗造成下降管带汽。
4、汽包工作流程
①从锅炉来的汽水混合物经过汽包上部上升管进入汽包部,沿着汽包壁与弧形衬板形成的狭窄的环形通道流下,使汽水混合物以适当的流速均匀的传热给汽包壁,这样克服了锅炉启停时汽包上下壁温差过大的困难,可以较快的启动。
②进入汽包的汽水混合物分别进入汽水旋风分离器,利用改变流动方向时的惯性进行惯性分离,这是汽水混合物的第一次分离。
③被分离出来的蒸汽仍带有不少水分,从分离器顶部进入波形板分离器,它装在旋风分离器顶部,带有部分水滴的蒸汽在波形板间的缝隙中流动,利用使水黏附在金属壁面上形成水膜往下流。
④二次分离后的蒸汽最后经过蒸汽清洗,利用水的密度差进行重力分离,这是三次分离。
⑤蒸汽经过三次分离后,达到了蒸汽质量标准,再由汽包顶部饱和蒸汽管引往屏式过热器。
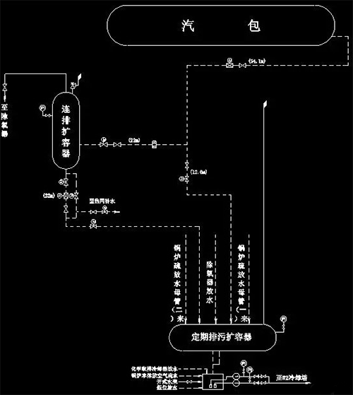
五、汽包排污
多采用采用连续排污+定期排污。
连续排污主要用于排出汽包上部的浓缩水,主要目的是为了防止锅炉水的含盐量和含硫量过高,排污部位多设在汽包水浓缩最明显的地方,即汽包水位下200-300mm处。通常根据汽包水水质分析指标调整连续排污量。
定期排污又称间断排污,即每间隔一定时间从锅炉底部沉积的水渣、污垢、间断排污一般8~24小时排污一次,每次排0. 5~1分钟时间,排污率不少于1%,间断排污以频繁、短期为好,可使汽包水均匀浓缩,有利于提高蒸汽质量。
六、安全阀
汽包上的安全阀为了保险起见,当锅炉容量大于0.5t时,需要安装两个安全阀,且两安全阀的整定压力不同,整定值低的是控制过热蒸汽的,高的是控制汽包压力的;一旦超压,整定值低的先起跳,以此来保证过热器不被烧坏。
安全阀须为开式阀帽,通过空气流通散热,避免弹簧等受热变形。安全阀配有扳手,以防安全阀无常起跳时,人为开启安全阀泄压,避免事故发生。
采用波纹管式安全阀使其平衡背压的能力有所增强,避免背压影响安全阀的起跳压力,保证安全阀可靠起跳,且能够使阀芯件与高温/腐蚀性介
七、液位计
玻璃板液位计与远传液位计共用。常用液位计有磁翻板与双色(多用于开工锅炉汽包)液位计。
就地玻璃板式液位计在其上、下阀装有安全钢球,当玻璃板意外损坏时,钢球在容器液体压力的作用下,自动关闭液体外泄通道,避免液体外流。在仪表上、下阀端分别装有阻塞螺丝和排污阀,供冲洗、取样、排放残液时使用。
1、双色液位计液位计
根据浮力原理和磁性耦合作用原理工作。当被测容器中的液位升降时,液位计主导管中的浮子也随之升降,浮子的永久磁钢通过磁耦合作用传递到现场显示盒高精度电子感应元件,触发相应的数字电路,使LED双色发光管转换颜色,无液全红,满液全绿,红绿交界处就是容器的实际液位,从而实现液位的现场指示,一目了然;加装限位开关实现液位报警和控制,加装变送器实现数字信号输出供显示与控制。
2、磁翻板液位计
根据浮力原理和磁性耦合作用研制而成。当被测容器中的液位升降时,液位计本体管中的磁性浮子也随之升降,浮子的永久磁钢通过磁耦合传递到磁翻柱指示器,驱动红、白翻柱翻转,当液位上升时翻柱由白色转变为红色,当液位下降时翻柱由红色转变为白色,指示器的红白交界处为容器部液位的实际高度,从而实现液位清晰的指示
八、锅炉煮炉
煮炉的目的是为了清除锅炉在制造、运输、安装或修理过程中带入锅炉的杂质和油污。这些脏物的存在,不但会阻塞水管,使蒸汽品质恶化,而且它还使传热变坏,受热面容易过热烧坏,因此必须通过煮炉把它清除。
1、每吨锅炉水加入磷酸三纳和氢氧化钠。注意不得将固体药物直接加入锅炉。
2、在无压状态下将上述药物配制成百分之二十的均匀溶液,在锅炉给水同时缓慢送入锅炉筒,或用加药泵注入锅炉筒。
3、加热升温,使锅炉产生蒸气,蒸汽可通过空气阀或被抬起的安全阀出口排出。
4、减弱燃烧,进行排污,并保持水位或锅炉满水。
(在配制煮沪用的药液时,工作人员应穿胶鞋,戴胶手套,系胶围裙以及戴有防护玻璃的面罩,以免被碱液灼伤。)
九、锅炉酸洗
酸洗的目的主要是除去锅炉蒸发受热面氧化铁、铜垢、铁垢等杂质也有消除二氧化硅、水垢等作用。酸洗是一个腐蚀表面层的过程,分为循环酸洗和静置酸洗两种。
1、循环酸洗
把锅炉水冷壁分成数个回路,水冲洗后进行酸洗。先将水加热至40至50℃,然后采用循环式加药、加酸。即先加抑止剂,待均匀后,利用酸洗泵把酸液从另一组水冷壁的下联箱排出。为了保证有较好的酸洗效果,酸液流速应大于0.3m/m。为了不使酸洗夜流入过热器,酸洗时酸液液位应维持在汽包低处可见水位处。
2、静置酸洗
利用酸泵把酸液从下联箱注入水冷壁,并维持一定高度,浸至4h后排出。酸洗后还应进行水洗和碱中和,使所有与酸接触过的金属表面得到碱化。
补充:实际中需要注意的问题有
1、汽包材质,容量,蒸汽温度,压力
2、安全阀、液位计生产厂家
3、防腐措施
这只是关于汽包的一些基本知识,如有错误和不当之处,望指正、探讨,共同学习。
汽包作用
既然汽包是锅炉加热、汽化、过热三过程的连接枢纽和分界点;它的作用是什么呢?
1、汽包与换热器之间由上升管和下降管连接,形成汽包自身的水循环。汽包水循环是对流热循环。锅炉产生的热水(蒸汽)由上升管进入汽包,热的水质量轻往上走的过程中将热量进行交换,部分水转化为气态;汽包冷水在重力作用下经下降管补充至锅炉。水在虹吸作用下在汽包与锅炉间的循环就是汽包的自循环。蒸汽上升量与水下降量是正相关的。若借助泵将锅炉水直接打至汽包,维持汽包的液位,这种方式叫强制循环。
与此同时汽包接受循环给水泵的给水,以及向过热器输送饱和蒸汽,或直接输出蒸汽,因此,汽包是是工质加热、蒸发、过热三过程的连接枢纽,保证锅炉正常的水循环。
2、汽包部有汽水分离装置和连续排污装置,保证锅炉蒸汽品质。
3、有一定水量,具有一定蓄热能力,在锅炉工况发生变化时,能减缓汽压的变化速度,起到稳定汽压的作用
4、汽包上有压力表、水位计、事故放水、安全阀等设备,保证锅炉安全运行。
5、汽包是一个平衡容器,提供水冷壁汽水混合物流动所需的压力;
①储能和缓冲作用:汽包内储存一定的水与蒸汽,具有储能作用,当负荷变化时,它对蒸发量与给水量之间的不平衡以及汽压速度的过快变化都有一定的缓冲作用。
如负荷升高时,汽压要下降,这时原处于饱和状态水,可自行汽化一部分蒸汽,使汽压下降速度趋于缓慢。
②保证蒸汽品质:汽包内装有汽水分离装置、蒸汽清洗装置等设备,可有效地进行汽水分离、蒸汽清洗、加药、排污等,用以保证蒸汽品质及锅炉品质。
③保证锅炉安全运行:汽包上装有多种水位计、压力表、事故放水门、安全阀等附属设备,用来监测汽包压力和汽包水位,保护锅炉安全运行。
汽包结构
汽水分离器:低压蒸汽,采用水下孔板+丝网或波纹板的形式即可。中压蒸汽一级分离为旋风分离,二级为钢丝网或百叶窗加均匀汽孔板。高压蒸汽(大于等于10MPa)则需要增加蒸汽清洗,或者盐端分离等技术。
旋风分离器由简体、引入管、项帽、溢流环、简底导叶和底板等部件组成。
旋风分离器工作原理及工作过程:较高流速的汽水混合物,经引入管切向进入简体而产生旋转运动,在离心力的作用下,将水滴抛向筒壁,使汽水初步分离。分离出来的水通过筒底四周导叶,流人汽包水容积中。饱和蒸汽在筒体向上流动,进入顶帽的波形板间隙中曲折流动,在离心力和惯性力的作用下,小水滴被抛到波形板上,在附着力作用下形成水膜下流,经简壁流入汽包水容积,使汽水进—步分离,而饱和蒸汽从顶帽上方或四周引入汽包蒸汽空间。
沿汽包长度在两侧装设若干旋风分离器,每个旋风分离器筒体顶部配置有百页窗(波形板)分离器,它们的主要作用是将由上升管引入的汽水混合物进行汽和水的初步分离。在汽包的中上部,水平装没蒸汽清洗孔板,其上有清洁给水层,当蒸汽穿过水层时,便将溶于蒸汽或携带的部分盐分转溶于水中,以降低蒸汽的含盐。靠近汽包的顶部设有多孔板,均匀汽包上升蒸汽流,并将蒸汽中的水分进一步分离出来。汽包中心线以下150mm左右设有事故放水管口;正常水位线下约200mm处设有连续排污管口,再下面布置加药管。下降管入口处还装设了十字挡板.以防止下降管口产生漩涡斗造成下降管带汽。



汽包工作流程
1、从锅炉来的汽水混合物经过汽包上部上升管进入汽包部,沿着汽包壁与弧形衬板形成的狭窄的环形通道流下,使汽水混合物以适当的流速均匀的传热给汽包壁,这样克服了锅炉启停时汽包上下壁温差过大的困难,可以较快的启动。
2、进入汽包的汽水混合物分别进入汽水旋风分离器,利用改变流动方向时的惯性进行惯性分离,这是汽水混合物的第一次分离。
3、被分离出来的蒸汽仍带有不少水分,从分离器顶部进入波形板分离器,它装在旋风分离器顶部,带有部分水滴的蒸汽在波形板间的缝隙中流动,利用使水黏附在金属壁面上形成水膜往下流。
4、二次分离后的蒸汽最后经过蒸汽清洗,利用水的密度差进行重力分离,这是三次分离。
5、蒸汽经过三次分离后,达到了蒸汽质量标准,再由汽包顶部饱和蒸汽管引往屏式过热器。

汽包排污
多采用采用连续排污+定期排污。
1、连续排污主要用于排出汽包上部的浓缩水,主要目的是为了防止锅炉水的含盐量和含硫量过高,排污部位多设在汽包水浓缩最明显的地方,即汽包水位下200-300mm处。通常根据汽包水水质分析指标调整连续排污量。
2、定期排污又称间断排污,即每间隔一定时间从锅炉底部沉积的水渣、污垢、间断排污一般8~24小时排污一次,每次排0.5~1分钟时间,排污率不少于1%,间断排污以频繁、短期为好,可使汽包水均匀浓缩,有利于提高蒸汽质量。

汽包为何加药?
锅炉给水尽管经过严格处理,但不可能将杂质彻底除净,给水还会带入锅内一部分杂质。随着锅水的不断蒸发浓缩,锅水含盐浓度逐渐提高,有可能引起内部结垢。为防止结垢,运行中要往锅水中连续加入药品,药品与锅水中的钙、镁盐类发生化学、物理作用,生成非粘结性的松散水渣,沉积到下部,通过定期排污放到锅炉外。
加入锅水的药品通常是Na3PO4(磷酸三钠),经过稀释后由加药泵打入锅炉汽包的锅水中。锅水中加入磷酸三钠,除使锅水中钙、镁盐类生成非粘结性的松散水渣外,还可起到校正锅水碱性的作用,使锅水的PH值维持在规程规定的范围之内 。
事故放水
事故放水管是不可能把汽包中的水放光的。事故放水管的作用是当出现满水事故或汽水共腾及泡沫共腾时,用它紧急排放锅水,迅速恢复水位。事故放水管上端在汽包内,上口与汽包正常水位平齐。一旦出现上述情况时,迅速打开事故放水门,使多余的水排放出去,恢复正常水位。由于有锅水在事故放水孔浮起的现象,水位可放到比正常水位略低的位置,但锅水不会被放光。汽包中的水虽然不会被放光,但打开事故放水门后,必须严密监视水位,一旦正常水位出现,应立即关闭事故放水门。否则,会通过事故放水管放出大量饱和蒸汽,这除了造成不必要的工质和热量损失外,还使进入过热器的蒸汽量减小,会给过热器的安全带来威胁。

75吨锅炉汽包内部


来源:发电与读书
相关阅读
◆如何消除汽包差压式液位计测量误差
◆三冲量汽包水位控制原理及应用教程
◆双室平衡容器应用及汽包水位补偿系统建立方法和步骤

