在《IEC60715-2017》《DIN EN 60715》中规定了关于安装导轨型号及生产尺寸的相应说明,同样有国标与此国际标准对应《GB/T19334-2021低压开关设备和控制设备的尺寸在开关设备和控制设备及其附件中作机械支承的标准安装轨》标准使用翻译法等同于IEC60715:2017(2.0版)。

安装导轨尺寸
标准中包括了以下几种截面的导轨
1、TH型安装导轨尺寸
◆宽15mm的TH15安装导轨尺寸

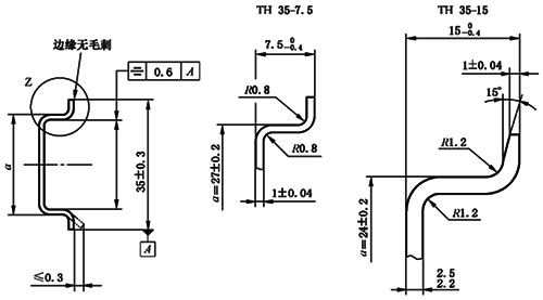
◆仪表和电气常用的宽35mm的TH35安装导轨尺寸

◆宽75mm的TH75安装导轨尺寸

2、C型安装导轨尺寸


3、G32型安装导轨尺寸

在TH型安装导轨中说明了以下尺寸型号:TH15;TH35;TH75;在C型安装导轨中说明了以下尺寸型号:C20;C30;C40;C50;在G型安装导轨中说明了以下尺寸型号:G32 。
安装导轨基本范围差别不大,标准也是生产厂商应该看的,用户只需购买使用即可。
相关阅读
◆仪表法兰知识
◆仪表冷凝罐和测温扩大管制作DIY
◆仪表工如何看懂呼号法仪表电气接线图

