自锁
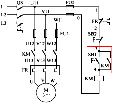
首先说一下什么是自锁。为了便于读者理解结合下图电动机连续运行控制(长动控制)电气原理图进行讲解“自锁”。将接触器的辅助常开触点并联在启动按钮上,如下图中红色框中所示,按下启动按钮SB1后,接触器线圈得电,接触器的主触点闭合电动机得电运行,与此同时,接触器的辅助常开触点闭合,保证接触器线圈继续得电,从而保持电动机的连续运行,这种依靠接触器本身辅助常开触点而使其线圈保持通电的状态称为自锁。由此可见自锁是实现点动控制到长动控制不可缺少的环节,是通过将接触器的辅助常开触点并联在启动按钮上实现的,所以自锁是电气控制线路中最常见到的环节。

互锁
然后再说一下互锁,提到互锁也需要结合一个电气原理图进行讲解,这个电气原理图的名称为电动机正反转控制电路如下图所示。电路中采用了两个接触器KM1、KM2,分别控制电动机的正、反转。当KM1通电和KM2也通电,在主电路中,KM1和KM2的主触点都会闭合,会造成电源相间短路的故障。为了解决该问题,采用将KM1和KM2的辅助常闭触点串联在对方的线圈电路中,实现触点的互锁控制。也就是当其中任意一个接触器的线圈得电后,另一个接触器的线圈不能得电,从而避免了主电路中发生相间短路。互锁实现方法通过正、反转接触器KM1和KM2线圈电路中都分别串联对方的辅助常闭触点来实现的。

联锁
联锁控制是多个控制信号之间建立的逻辑控制关系,是电器设备之间的一种联动控制方式。联锁控制的特点是相互联动。联锁控制典型应用场合是顺序控制。顺序控制通常是指多台电动机按照控制要求的顺序而实施起动、停止的操作。顺序控制可以分为顺序起动、同时停车控制电路,顺序起动、顺序停车控制电路,顺序启动、逆序停车控制电路三种控制电路。
1、顺序起动、同时停车控制电路电气原理图如下图所示。顺序启动实现方法为将“先启动接触器”的辅助常开触头串接在“后启动接触器”的线圈电路中,实现了启动顺序的制约,也就是所谓的联锁控制。

2、顺序起动、顺序停车控制电路电气原理图如下图所示。顺序启动实现方法为将“先启动接触器”的辅助常开触头串接在“后启动接触器”的线圈电路中,实现了启动顺序的制约,也就是所谓的联锁控制。顺序停止实现方法为将“先启动接触器”的辅助常开触点并联在后启动控制线路中停止按钮上,从而实现了顺序停止的制约,即联锁控制。

3、顺序启动、逆序停车控制电路电气原理图如下图所示。顺序启动实现方法为将“先启动接触器”的辅助常开触点串接在“后启动接触器”的线圈电路中,实现了启动顺序的制约,也就是所谓的联锁控制。逆序停止实现方法为将“后启动接触器”的辅助常开触点并联在先启动控制线路中停止按钮上,从而实现了逆序停止的制约,即联锁控制。

自锁、联锁和互锁的知识就分享到此,这些电工基础,在控制系统中所处可见,仪表人和电气人都应该熟练掌握。
作者: 郑俊观
相关阅读
电动机正转控制线路原理解读
仪表工必知的电动机正反转控制电路原理及应用

