1、S7-1200 PLC系统的接地总原则
西门子产品中S7-1200 PLC属于中小型的PLC,在接地过程中,应注意以下原则:
◆ 将应用设备接地的最佳方式是确保S7-1200 PLC和相关设备的所有公共端和接地连接在同一个点接地。
◆ 该点应该直接连接到系统的大地接地。
◆ 所有地线应尽可能地短且应使用大线径,例如2mm(14AWG)。
◆ 确定接地点时,应考虑安全接地要求和保护性中断装置的正常运行。
S7-1200 PLC系统如图1所示。

图1 S7-1200 PLC系统
①CPU及系统供电
a、交流供电系统
系统取交流电源(L1、N、PE)给S7-1200 PLC系统供电。须将CPU的PE端子连接到系统的PE进行接地处理,如图2所示。

图2 S7-1200 PLC系统的交流供电及接地
CPU侧的实际接线中,应将PE进行接地处理,如图3所示。

图3 S7-1200 PLC交流电源端子处的PE做接地处理
其中CPU还为其他模板或负载提供了DC24V供电电源。在大部分的安装中,可以把该DC24V电源的M端接地(例如连接到机壳接地),以获得最佳的噪声抑制效果。
b、直流供电系统
同样,对于直流供电的CPU,在大部分的应用中,把所有的DC电源的M接到地可以得到最佳的噪声抑制;在未接地的DC电源的公共端与保护地间可并联电阻与电容(RC元件)。电阻提供了静电释放通路,电容提供高频噪声通路,如图4所示。

图4 S7-1200 PLC系统的直流供电及接地
在CPU侧的实际接线中,应将PE进行接地处理,如图5所示。

图5 S7-1200 PLC系统的直流供电及接地
②数字量模板的使用
A、数字量模板的接地及接地要求
a、尽量采用可能短的导线
◆ 数字量输入:最长为500m屏蔽线,或300m非屏蔽线;
◆数字量输出:最长为500m屏蔽线,或150m非屏蔽线。
b、导线要尽量成对使用,用一根中性或公共导线与一根信号线或电源线相配对;
c、数字量输出模块抑制保护。
B、感性负载的使用准则
◆ 数字量输出负载为感性负载时,为防止输出断开时的高压瞬变干扰,须增加抑制回路,可能导致PLC运行中断或至设备损坏;
◆ S7-1200 PLC的DC输出回路内部集成了抑制电路,该电路足以满足大多数应用对感性负载的要求;
◆由于S7-1200 PLC继电器输出触点可用于开关直流或交流负载,所以未提供内部保护;
◆对于交流负载,可将压敏电阻(MOV)或其他电压抑制设备与并联RC电路配合使用,但不如单独使用有效。压敏电阻(MOV)通常会导致出现高达钳位电压的显著高频噪声。
C、选择保护回路
可以采用下面的指导来设计合适的抑制电路。设计的有效性取决于实际的应用,所以必须调整其参数以适应实际应用。要保证所有的器件参数与实际应用相符合。
a、用于直流输出和控制直流负载的继电器输出的保护电路
S7-1200 PLC的DC输出包括内部抑制电路,该电路足以满足大多数应用对感性负载的要求。由于S7-1200 PLC继电器输出触点可用于开关直流或交流负载,所以未提供内部保护。
对于直流通道外加续流回路,其原理类似于继电器线圈外加浪涌抑制器,如图6所示。

图6 直流继电器的外加续流回路
在使用过程中,应将续流回路连接到模板上,并注意:
◆在大多数应用中,只需在直流感性负载两端增加一个二极管,图7中的A;
◆应用大电感或频繁开关的感性负载,要求更快的关闭时间,建议可再增加一个稳压二极管,如图7中的B。
◆请确保正确选择稳压二极管,以适合输出电路中的电流量。

图7 DC线圈产生的浪涌的抑制回路
说明:1指1N4001二极管或同等元件;2指8.2V稳压二极管(直流输出),36V稳压二极管(继电器输出);3指输出点;4指M、24V参考
b、用于开关AC感性负载的继电器输出的保护电路
使用继电器输出控制AC115V/AC230V负载时,应当在继电器输出触点输出负载上跨接RC回路,如图8所示,或使用压敏电阻(MOV)来线制峰值电压,注意选择MOV的工作电压比正常的线电压至少高出20%。

图8 AC线圈产生的浪涌的抑制
说明:1指关于C值,请参见表格;2指关于R值,请参见表格;3指输出点
对于继电器输出通道外加续流回路,其原理类似于交流接触器线圈外加吸收回路,如图9所示。

图9 继电器输出通道外加续流回路
③模拟量模板的接地要求
A、线缆的要求
◆尽量采用可能短的导线,模拟量输入/输出:100m屏蔽双绞线;
◆使用屏蔽线以便最好地防止电噪声。
通常在S7-1200 PLC端将屏蔽层接地能获得最佳效果。连接方式参考S7-300 PLC的模拟量信号线的屏蔽层处理方式。
B、模拟量输入连接
a、连接4线制传感器
连接4线制传感器,建议将传感器信号负端和电源M做等电位处理,同时将模块的PE和24V的M做好接地,防止干扰,如图10所示。

图10 S7-1200 PLC连接4线制传感器示意图
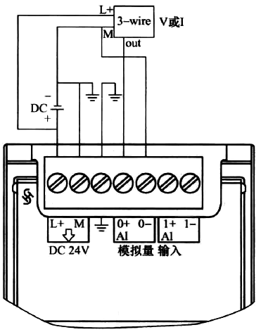
b、连接3线制传感器
3线制传感器的电源负端和输出信号的负端都是公共的,可以取模块的24V电源给传感器供电,传感器输出的正接模块通道正,通道负接电源M,将木块的PE和24V的M做好接地,防止干扰,如图11所示。

图11 S7-1200 PLC连接3线制传感器示意图
c、连接2线制传感器
连接2线制传感器时,由于S7-1200 PLC通道无法向外供电,需要传感器外部串入DC24V电源。可以取模块的24V电源给传感器供电,24V的正接传感器的正端,传感器的负端和模块通道正连接,通道负接电源M,将模块的PE和M做好接地,防止干扰,如图12所示。

图12 S7-1200 PLC连接3线制传感器示意图
2、接地电缆的要求
①使用正确的导线,确保线径适合承载所需电流:S7-1200 CPU和SM模块连接器接受0.3-2mm2(14-22AWG)的线径;SB信号板连接器接受0.3-1.3mm2(16-22AWG)的线径。
②交流线和高能量快速开关的直流线与低能量的信号线和通信电缆隔开并始终对布线中性线或公共线与相线或信号线成对。
③所有地线应尽可能短且应使用大线径例如2mm2(14AWG)。

