
上面这两张图有啥不同哪?细心的你可能发现了,左图并没有接地点,而右图却增加了一个接地点。
电源的负极通常称为0电位点,而增加了一个接地,就为全电路增加了一个参考电位,也就是0参考点。有了0电位的参考点,就有了电路当中各点对地的电压,如此,才有意义,其前提就是,地被认定为0电位。
在直流系统当中,正、负极对地都是绝缘的,若发生一极接地,由于没有构成回路,不会引起什么问题,但再发生另一点接地,问题就出现了,可能引起保护装置误动和拒动,发生一点接地后,再发生另一极接地就会造成直流短路。所以,在直流系统当中,通常要增加绝缘监察装置,来检测正,或负极对地的绝缘状况。
若直流正极接地,有造成保护误动作的可能。因为一般跳闸线圈均接电源负极,若跳闸回路再发生接地或绝缘不良,就会引起保护误动。如下图:

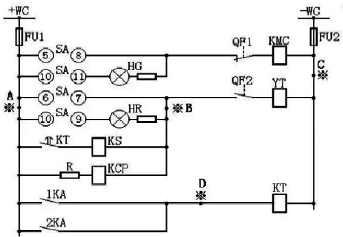
若A、B两点接地,保护装置跳闸出口将会被短接,电压直接加在分闸线圈上,将导致分闸线圈动作,保护误动。
再比如B、C两点接地,开关合闸后,辅助开关闭合,B、C两点均接电源负,此时,B、C两点将被短接,短掉了分闸线圈,若发生保护动作,也不会动作,造成保护拒动。
还有A、D两点,若此两点发生接地,将直接导致正、负极短路,开关跳闸,或保险熔断。
这就是为什么要在直流系统当中加绝缘监察装置的原因。
绝缘监察的原理也不复杂,就是一个电桥电路,如下:

正常情况下,Rx与Ry都等同于无穷大,平时没有电流通过,接在DC220V之间的就只有两个相等的R了,两个相等的电阻分压并接地,正、负对地电压就是±110V了。
Rx与Ry属于待测电阻,分别属于正对地电阻和负对地电阻,求出Rx和Ry的值,就能确定正、负对地的绝缘状况。
为了求得Rx和Ry的值,需要将上图做如下变换,如下:

这张图与上图不同,多了一个K1和K2,这两个点不能同时闭合。当K1闭合,K2断开时,R与Rx并联,再与Ry串联。当K2闭合,K1断开时,R与Ry并联,再与Rx串联。通过分压公式,就可以确定Rx与Ry的大小,由此便可确定正、负对地的绝缘状况。
在直流系统中,无论正极,还是负极都是不接地的。若正极接地,则负极对地电压升高,接地严重时接地电压可以达到额定直流电压。同样,若负极接地,则正极对地的电压升高。
直流系统接地在变电站或开关站中是比较重要的!直流系统出现接地,或绝缘不良,应该及时采取措施,消除事故隐患,避免误动或拒动的发生。所以,在直流系统接地,应有时间限制,一般不超过2小时。



