昌晖仪表以图文形式介绍九种电动机主电路的配置方案,让大家简单了解每一种方案的应用特点,供电工和仪表工参考和借鉴。
本文涉及9个方案,每一个方案对应一张图。注意到从方案1到方案9,所有电动机回路在断路器的上方有接插符号,电动机的上方也有接插符号,由此可知这9个方案均是低压抽屉式开关柜中的电动机主电路。
方案1到方案4是电动机直接起动方案,但主电路元件略有不同:
①方案1中,断路器是带有热磁保护的微型断路器MCB。MCB带有过载长延时L保护和短路瞬时I保护。主电路中另外两个元件是电流互感器和交流接触器。方案1的一般用于小功率的电动机直接起动。

②方案2的主电路中带有热继电器,且断路器为单磁的,因此方案2可用于较大功率的电动机直接起动。

③方案3的热继电器在电流互感器的二次侧,因此这个电路可以驱动更大功率的电动机。

注意:热继电器的热感应双金属片在电动机起动时用时间继电器控制旁路接触器予以短接,使得在电动机起动时热继电器不发出保护动作信息。
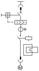
④方案4采用MCU来保护电动机,其中MCU(Motor Control Unit)指的就是电动机综合保护装置。

方案5到方案7是电动机的可逆起动方案,但主电路元件略有不同。
⑤方案5与方案1类似,采用带热磁的MCB作保护,一般用于小功率的电动机可逆起动。

⑥方案6与方案2类似,回路中配有热继电器,而断路器采用单磁的,因此方案6可用于带动较大功率的电动机可逆起动。

⑦方案7与方案3类似,热继电器在电流互感器的二次侧,因此这个电路可以驱动更大功率的电动机。

方案8和方案9为电动机星-三角起动方案。
⑧方案8的断路器同方案2和方案6,为单磁断路器;

⑨方案9则为采用MCU的方案。

使用电动机专用的微型断路器的主电路方案说明
方案1和方案5适用于0.08~11kW的电动机直接起动主电路。其中的MCB为专用于电动机保护的产品规格。表1为采用ABB电动机保护微型断路器MS25的配置方案表。
表1 MS325使用配置方案

采用热继电器的主电路方案说明
由前所述,我们知道了方案2、方案3和方案6中均在一次回路中使用了热继电器,其中方案6的热继电器安装在二次回路。热继电器在使用时有电动机重载起动的问题。如果电动机起动电流超过6倍额定值,或者起动时间超过10s,则此电动机的起动过程被称为重载起动。对于重载起动的电动机主电路方案,其中的热继电器需要采取专门措施。
国家标准GB 14048.4-2010《低压开关设备和控制设备 低压机电式接触器和电动机起动器》中5.7.3.2节的表2有专门定义,详见2.6.2节,此处摘录如下:
级别 脱扣时间/s
10A 2<Tp≤10
10 4<Tp≤10
20 6<Tp≤20
30 9<Tp≤30
列表总级别20和级别30为重载启动电动机专用的热继电器,其过载保护脱扣的动作时间比较长,用以躲过电动机起动电流的冲击。
我们来看在额定电压为400V短路电流为50kA下,ABB的电动机轻载和重载直接起动配置方案,见表2

①电动机起动时配合相同规格的旁路接触器。旁路接触器的用途是旁路热继电器的电流输入输出(温度传感测量)端口。
从表2中我们看到,3kW及以下的电动机重载起动主电路需要在热继电器一次回路并接旁路接触器,5.5~75kW电动机重载起动主电路需要采用类型30的热继电器。对于90kW以上的电动机起动主电路,无论是常规起动或者是重载起动,其热继电器均为类型30,故主电路配置方案相同。
采用电动机星三角起动的主电路方案说明
在电动机星-三角起动主电路中,有断路器、电流互感器、星接接触器和角接接触器、主接触器及热继电器等等。
表3是ABB用于18.5~200kW的星-三角起动电动机回路。
表3 在额定电压为400V短路电流为50kA下的电动机星-三角起动配置方案

表中接触器与断路器的配合方式为类型2。
电动机主电路中元器件之间的协调配合
有关电动机主电路断路器(熔断器)与接触器之间的协调配合关系见《接触器与短路保护低压电器间的协调配合型式试验》。以下做简单回顾:
1、接触器和热继电器之间的配合类型
当三相异步电动机主电路中发生过载或短路故障时,由于接触器有可能会发生触点熔焊现象,因此GB 14048.1-2012标准中给出了两种配合类型:
①配合类型1:允许在过载或短路故障过程中电动机起动器内部的元器件损坏,但更换元器件后能恢复正常运行。
②配合类型2:只允许在过载或短路故障过程中电动机起动器内部的接触器发生触点熔焊,用简单工具修理后能恢复正常运行。
2、电动机控制主电路的基本配置:断路器+接触器+热继电器
电动机主电路的最基本配置是断路器+接触器+热继电器的组合,组合的脱扣特性曲线见下图。
组合的脱扣特性描述如下:
①当电动机刚起动时,从起动刚开始30ms范围内电动机主电路中将出现起动冲击电流峰值I,其值大约为(8~12)IN,断路器的I参数必须大于Ip,否则会造成电动机起动时断路器误跳闸。
②电动机的起动电流1s为(4~8.4)In。
③当电动机起动完成后,电动机进入额定运行状态。热继电器的热过载保护整定值应图4-21 断路器+接触器+热继电器组合的脱扣特性当在(1.05~1.20)In之间。热继电器的整定值必须确保当过载电流为1.05In时在两个小时内不跳闸,而当过载电流为1.20In时在两个小时内一定跳闸。
④当电动机发生短路时,虽然短路电流会受到电缆的限制,但断路器的I参数必须对此短路电流实施保护动作。I参数的整定电流I3应当不小于Ip,即不小于12In。一般将I参数设置为(12~15)In。最重要的是,热继电器的允通电流的极限值必须大于I3,也就是必须使热继电器的热耐受极限电流在断路器I参数整定值的右侧,以确保断路器能对热继电器实施保护。
⑤当电动机发生了过载时,热继电器和接触器将长时间地流过过载电流,最终由热继电器发出保护信息驱动接触器跳闸,接触器的触点上将出现电弧;类似地,当电动机发生短路时,断路器执行了短路保护跳闸,但短路电流同样也流过了热继电器和接触器。
若热继电器和接触器满足类型1,则在过载或短路过程中热继电器或接触器可能会损坏,用户必须在事后给予维护更换;若在过载或短路过程中热继电器和接触器满足类型2,则热继电器或接触器不一定会损坏,用户只需简单地维护好接触器的触点即可。
相关阅读
◆短路时断路器已动作,为何接触器还是粘连
◆低压电动机回路可以选择什么类型的断路器



