昌晖仪表结合现场高压开关柜不能防跳故障处理案例,和大家分享高压开关柜不能防跳故障原因诊断和处理过程,提高电工高压开关柜不能防跳故障处理技能。
故障设备:某水泥厂35kV变电站中控制主变压器的高压开关柜。
故障现象:在一次年度预防性试验中,校试人员试验这台高压开关柜的防跳跃功能。先将操作开关KK置于合闸位置,使断路器处于合闸状态。然后短接保护出口触点,模拟保护动作,断路器能跳闸,但跳闸后又重新合上了。显然,防跳电路没有起到防跳作用。
诊断分析:
① 重温一下防跳装置的工作原理电动合闸时,若断路器合闸到有故障的线路上,继电保护装置将动作,使断路器自动跳闸。此时如果操作人员仍将控制开关的手柄放在合闸位置上,则断路器再次合闸。这种跳闸、合闸的多次重复就是所谓“跳跃”。多次跳跃的后果:一方面造成断路器触头和机械部件的损坏,另一方面使一次系统受到严重影响,产生操作过电压。因此,在设计断路器的控制回路时,有必要采用防跳装置,以防止发生此类现象。
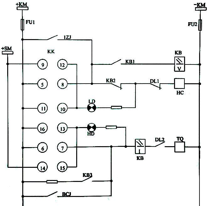
②下图是防跳装置的电气控制原理图,防跳断电器KB是DZB-115型。当操作开关KK置于合闸位置,使触点KK5-8接通时,合闸脉冲经KB的常闭触点KB2送到合闸继电器HC的线圈上,使断路器合闸。合闸之后,如果发生故障,继电保护装置动作,则触点
BCJ接通,使跳闸继电器TQ得电,断路器跳闸。在发出跳闸脉冲的瞬间,KB的电流线圈带电,使常开触点KB1接通。如果此时合闸脉冲未解除(例如控制开关KK未复归,使触点KK5-8仍接通或自投继电器的触点1ZJ被卡住,处于接通状态),则KB的电压线圈也带电,形成自保持。其常闭触点KB2断开,切断合闸继电器HC的电流回路,使断路器不会再次合闸。

③现在防跳电路不起作用。经过昌晖仪表工程师一整天的反复查找,未发现电路中有任何故障。
④在迷茫中突然想到一个问题如果KB的电流和电压线圈中有一个接反,则电压线圈产生的磁场与电流线圈产生磁场相互抵消,KB无法保持,吸合之后立即返回。其触点KB1断开,KB2闭合,这样断路器又会重新合闸,发生跳跃现象。
故障处理:将电压线圈的两根接线对换之后,故障立即排除,防跳功能完全正常。



